EasyManua.ls Logo

ABB DCS 500B - Find Faulty Thyristor

ABB DCS 500B
126 pages
To Next Page IconTo Next Page
To Next Page IconTo Next Page
To Previous Page IconTo Previous Page
To Previous Page IconTo Previous Page
Loading...
Chapter 5 - Exchange of Thyristors for Size A5
VI A 5 - 2 DCS 500 / DCS 600 Service Manual
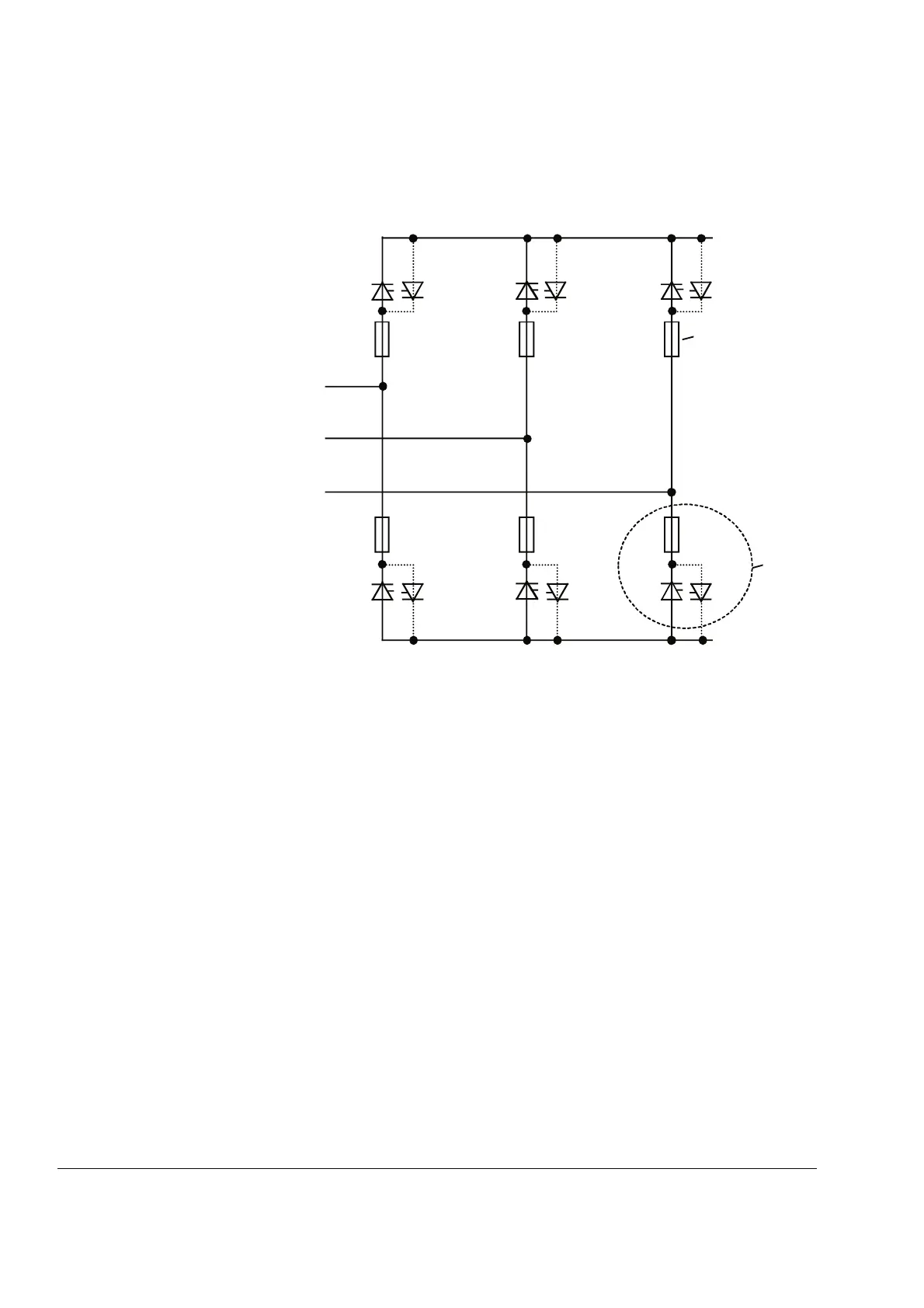
Find faulty thyristor
1. Find the defective branches by performing an OHM test (both
polarities) between U1, V1, W1 and C1, D1 (see figure 5-1)
C1 (+)
D1 (-)
U1
V1
W1
branching fuse
branch
F11 F13 F15
F14 F16 F12
V11 V13 V15V24 V26 V22
V14 V16 V12V21 V23 V25
principle_B6_a.dsf
Figure 5-1 Anti-parallel B6-bridges with branching fuses
2. Disconnect the branch fuses of the defective branches.
3. Find the defective thyristors by performing an OHM test (both
polarities) over their heat sinks.
4. In a 4-quadrant converter change both thyristors clamped be-
tween the same heatsinks at once.
Note: Because “Disc Type” semiconductors need a certain
compression force to operate properly a measurement outside
the clamped heat sinks might be wrong. To be sure change only
one thyristor, clamp the heat sinks again and repeat step three.
3ADW000093R0701_DCS500B/DCS600_Service manual_e_g

Table of Contents

Other manuals for ABB DCS 500B

Related product manuals