EasyManua.ls Logo

ABB M22344-W - Adjusting the Device

ABB M22344-W
32 pages
Print Icon
To Next Page IconTo Next Page
To Next Page IconTo Next Page
To Previous Page IconTo Previous Page
To Previous Page IconTo Previous Page
Loading...
ABB-Welcome
Pos: 70 /DinA 4 - Anleitungen Online/Ueberschrif ten/2./G eraeteeinstellunge n @ 18\mo d_130276884774 4_15.docx @ 1 03548 @ 2 @ 1
4.5 Adjusting the device
Pos: 71 /DinA 4 - Anleitungen Online/Ueberschrif ten/3./Absc hlusswiderst and @ 19\mod_ 132195807990 6_15.docx @ 1 10083 @ 3 @ 1
Pos: 72 /DinA 4 - Anleitungen Online/Inhalt/KN X/DoorEntry/B edienung/Absc hlusswidersta nd setzen 8322 0-AP-xxx @ 19\mod_1 310723392369_ 15.docx @ 1078 41 @ @ 1
Fig.
15
:
Pos: 74 /DinA 4 - Anleitungen Online/Inhalt/KN X/DoorEntry/B edienung/Mast er/Slave Schalt er setzen 83 220-AP-xxx @ 19\mod_1 31072332096 6_15.docx @ 1 07833 @ @
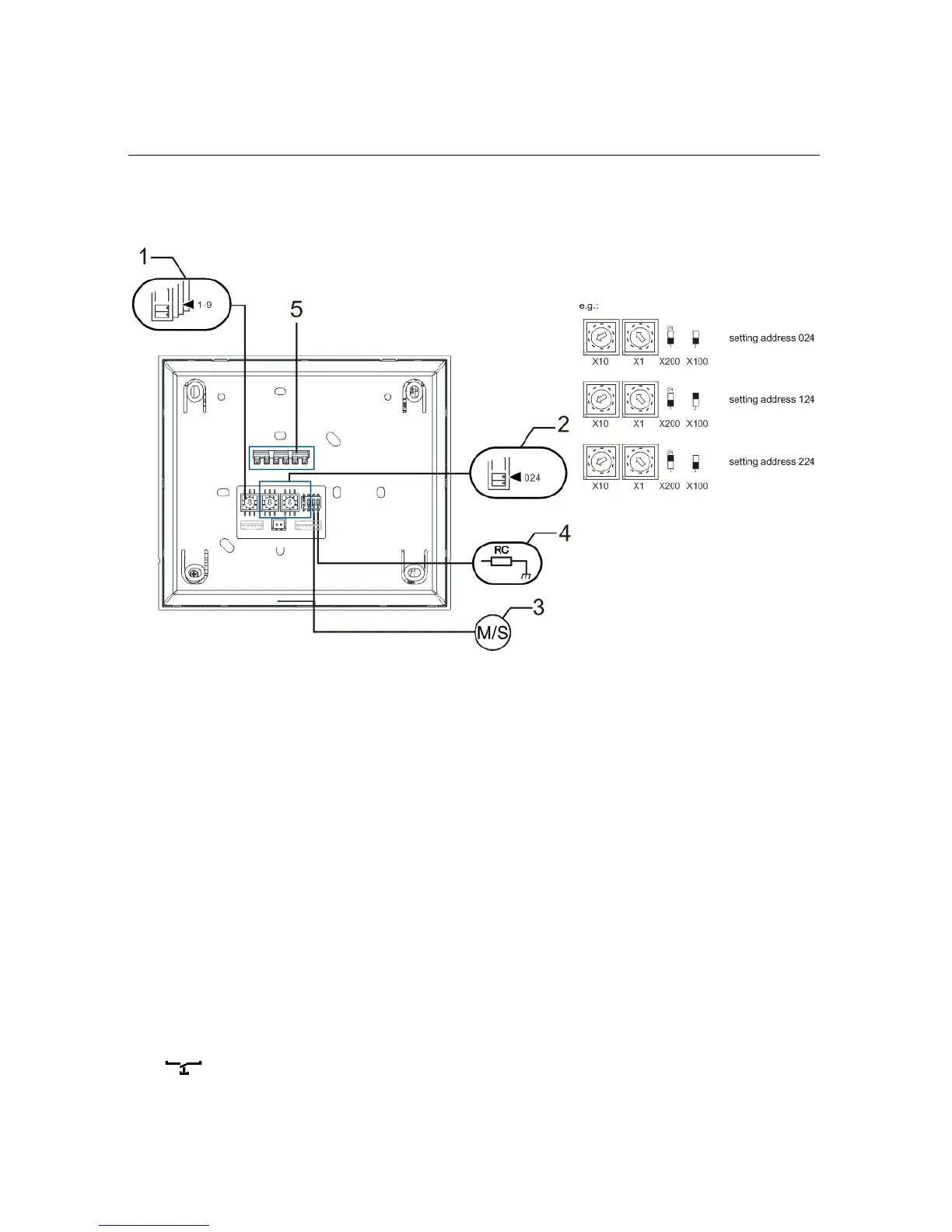
1. Station
Selector switch to set the address of default outdoor station.
2. X10 X1
Selector switches to set the address (tens and units digits) of the indoor station.
X200 X100
Dip-switches to set the address (hundreds digits) of the indoor station.
3. Master /Slave function
Only one indoor station in each apartment must be set as "Master" (Switch should
be set as 'M/S on'). All additional indoor stations in the same apartment must be
set as "Slave" (Switch should be set as 'M/S off').
4. Terminal resistor
In video installations or mixed audio and video installations, the Switch must be
set as 'RC on' on the last device of the line.
5. a b = Bus connection
= Door bell connection
DC GND = Additional power supply
6. Connector for induction loop
Pos: 75 /Busc h-Jaeger (Ne ustruktur)/Modul- Struktur/Onlin e-Dokumentati on/Steuermodul e - Online-D okumentation (--> F ür all e Dokument e <--)/+++++++ +++++ Seitenumbruch +++ +++++++ ++ @ 9\mod _126889866809 3_0.docx @ 5 2149 @ @ 1

Related product manuals