EasyManua.ls Logo

ACV Comfort E 160 - Electrical Characteristics

ACV Comfort E 160
30 pages
Print Icon
To Next Page IconTo Next Page
To Next Page IconTo Next Page
To Previous Page IconTo Previous Page
To Previous Page IconTo Previous Page
Loading...
en
12
Comfort E : A1002860 - 661Y1600 • D
EN
NL
ES
IT
DE
PL
RU
FR
TECHNICAL CHARACTERISTICS
Main characteristics
Comfort E
100 130 160 210 240
Rated voltage V~ 230 230 230 230 230
Rated frequency Hz 50 50 50 50 50
Electrical consumption with
electrical heating element
W 2,200 2,200 2,200 2,200 2,200
Rated current with electrical
heating element
A 10 10 10 10 10
ELECTRICAL CHARACTERISTICS
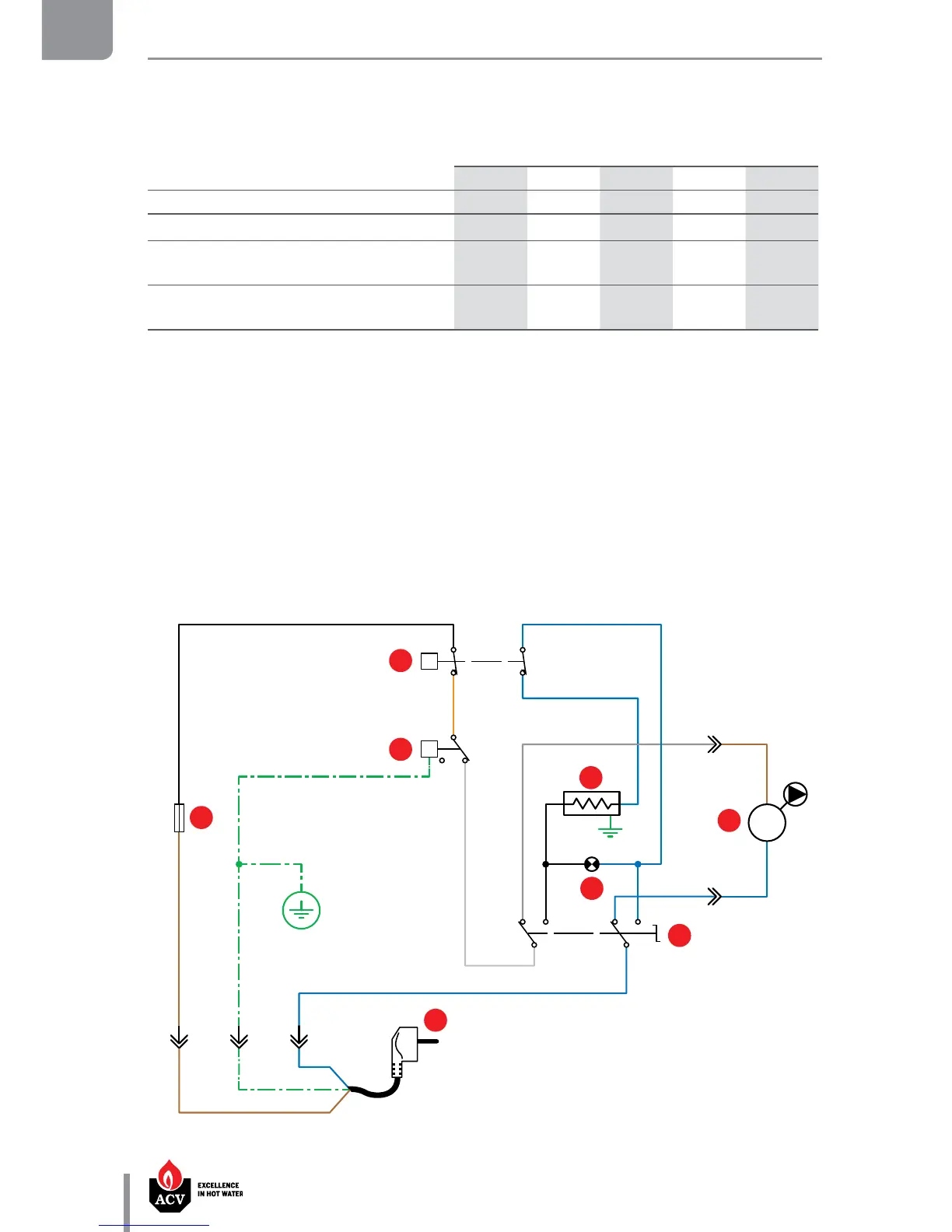
Wiring diagram
1. 230 Volt connection cord
2. Control thermostat [60/80°C]
3. Manual reset high limit thermostat [89°C max.]
4. Summer / Winter switch
5. Fuse FF 12,5 A
6. Electric heating element
7. Load pump [in option]
8. Heating-element-on indicator
B. Blue
Bk. Black
Br. Brown
G. Grey
Or. Orange
W. White
Y/Gr. Yellow/Green
c
2 1
t
t
L1 PE N
M
T1
T2
Br Bk
Or
W
B
Y/Gr
B
Y/Gr
B
B
Gr Br
BB
Bk B
Bk
7
3
2
4
5
6
230 V ~50Hz
B
Y/Gr
Br
1
8

Related product manuals