EasyManua.ls Logo

Adastra A22 - Page 3

Adastra A22
8 pages
Print Icon
To Next Page IconTo Next Page
To Next Page IconTo Next Page
To Previous Page IconTo Previous Page
To Previous Page IconTo Previous Page
Loading...
953.422UK User Manual
Placement
The A22 amplifier is supplied with 4 mounting
brackets, which can be fixed to the sides of the
housing with the tab facing upwards to enable
the A22 to be mounted under a counter-top
The A22 can even be mounted against a wall.
Alternatively, the A22 may be used free standing on any flat surface or 2 units can be
mounted side-by-side in a 19 rack with one mounting bracket facing forwards at each side,
occupying a 1U rack space (the 4 self-adhesive feet will need to be removed to allow this)
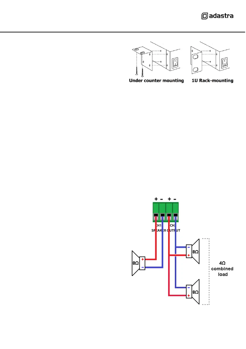
Speaker connections
The A22 has 2 speaker outputs - CH1 and CH2 - on a single removable screw terminal block,
which can be wired as Left and Right stereo outputs. (13, 14)
Connect the negative “–screw terminal to the negative “–” speaker terminal(s)
Connect the positive +screw terminal to the positive +” speaker terminal(s)
Use speakers with a combined impedance no lower than 4Ω for each output channel.
If each speaker being connected is 4Ω, then connect only 1 speaker to each channel.
If each speaker is 8Ω, you can connect 1 speaker or 2 speakers in parallel per channel.
Do not connect more speakers to either channel, as this may cause damage to the A22.
An example of wiring 8Ω speakers to the A22 is
shown opposite.
A single 8Ω speaker may be connected to a
channel or 2 may be connected in parallel to
present a combined 4Ω load to the output.
The impedance of the load, measured in
“Ohms” (Ω), will also determine the power.
The amplifier delivers its maximum power
output at the minimum impedance rating (4Ω).
If the impedance is higher (e.g. 8Ω), then the
output from that channel will be lower.
The combined load on each output shares the
power from that amplifier channel.
This means that if two 8Ω speakers are connected to a single output in parallel, they will each
receive half of the full power. If the amplifier is delivering 50W to two 8Ω speakers connected
in parallel, they must each be able to handle 25W.

Related product manuals