EasyManua.ls Logo

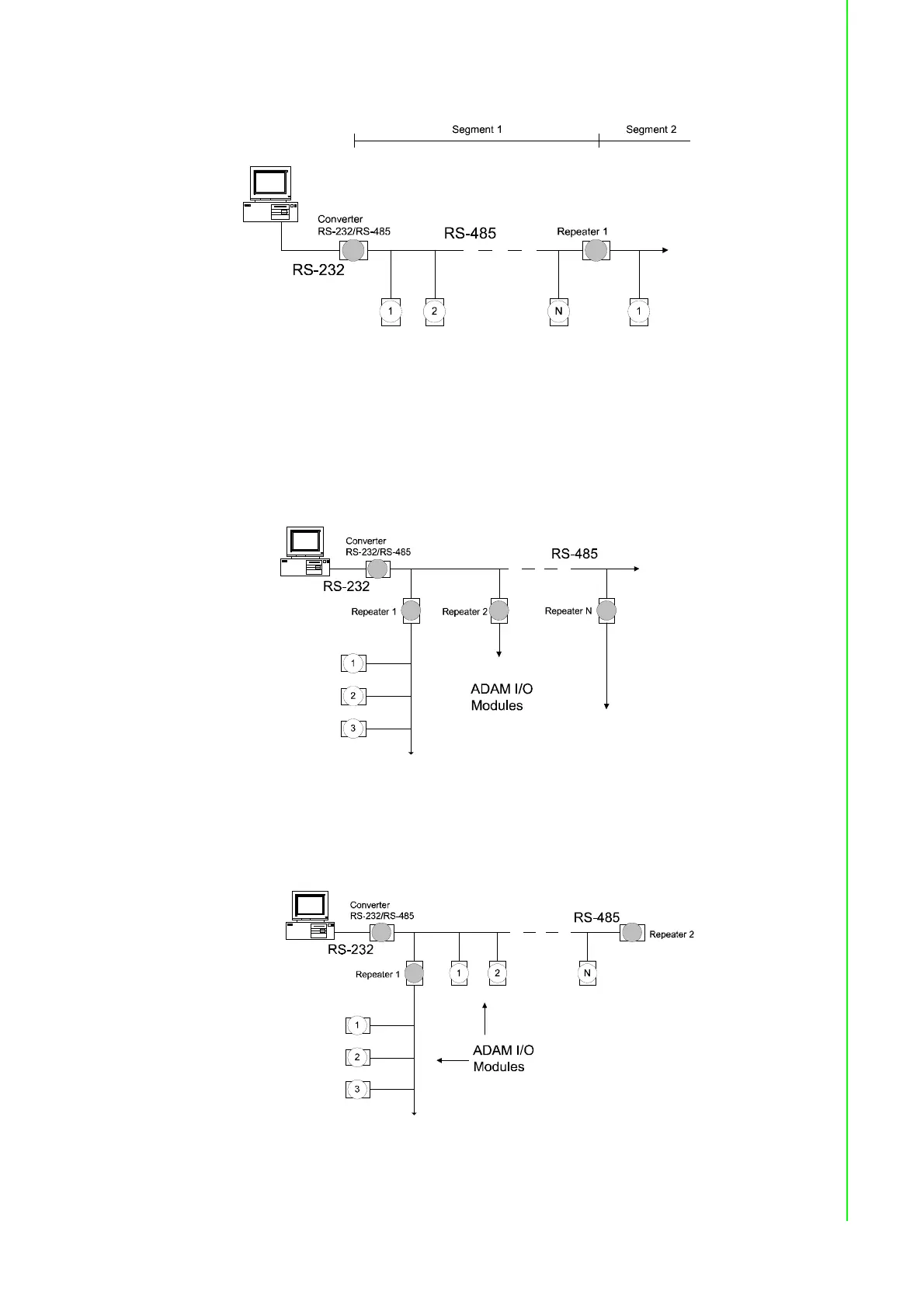
Advantech Adam - 4024 - Appendix E RS-485 Network; Figure E.1 Daisychaining

Advantech Adam - 4024
390 pages
Print Icon
To Next Page IconTo Next Page
To Next Page IconTo Next Page
To Previous Page IconTo Previous Page
To Previous Page IconTo Previous Page
Loading...
351 ADAM-4000 Series User Manual
Appendix E RS-485 Network
Figure E.1 Daisychaining
Star Layout
In this scheme the repeaters are connected to drop-down cables from the main wires
of the first segment. A tree structure is the result. This scheme is not recommended
when using long lines since it will cause a serious amount of signal distortion due to a
signal reflection in a several line endings.
Figure E.2 Star Structure
Random
This is a combination of daisychain and hierarchical structure
Figure E.3 Random Structure

Table of Contents

Related product manuals