EasyManua.ls Logo

AERMEC ANK050 HP - System Example

AERMEC ANK050 HP
48 pages
Print Icon
To Next Page IconTo Next Page
To Next Page IconTo Next Page
To Previous Page IconTo Previous Page
To Previous Page IconTo Previous Page
Loading...
EN
11_11. 6755532_02
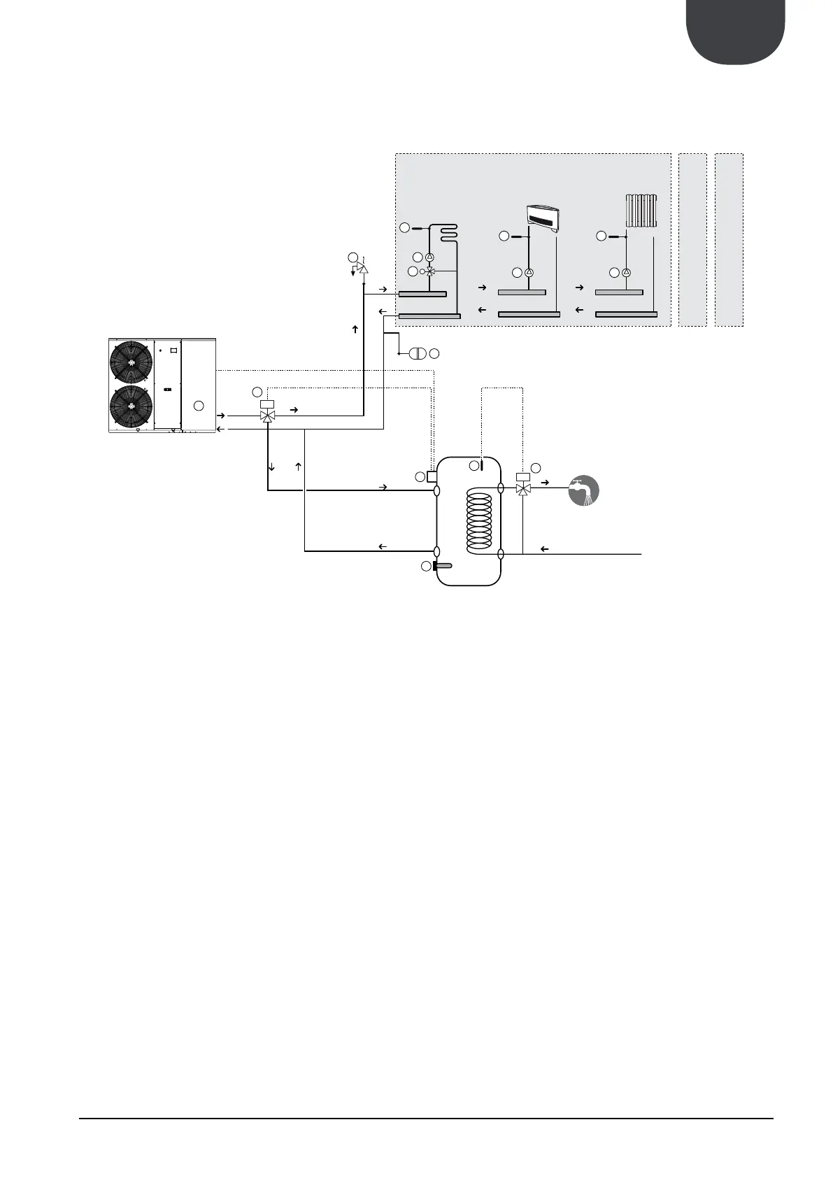
Unità ANK HA Unit;
2 - DIVERTER 3-way valve;
3 - Expansion vessel;
4 - Safety valve;









V3V
VT
2
4
5
6
7
3
8
9
10
11
zona 1 zona 2
M
6
7
6
7
zona 3
1
 
 


Table of Contents

Related product manuals