EasyManua.ls Logo

AERMEC NRL 800 - 4 Operation Limit; Cooling Mode ¹; Heating Mode ¹; Project Data

AERMEC NRL 800
35 pages
Print Icon
To Next Page IconTo Next Page
To Next Page IconTo Next Page
To Previous Page IconTo Previous Page
To Previous Page IconTo Previous Page
Loading...
6
Aermec cod. INRLLSIY 13_01. 4086991_00
NRL 800 - 1800
GB
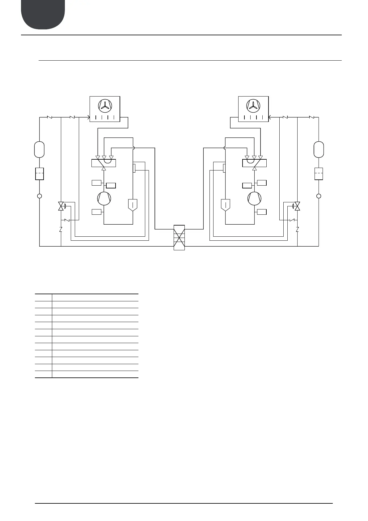
KEY
AL: ACCUMULO DEL LIQUIDO
BHE: SCAMBIATORE A PIASTRE
CN: BATTERIA ALETTATA
CP: COMPRESSORE
CV: VALVOLA DI NON RITORNO
F: FILTRO DEIDRATATORE
HPS: PRESSOSTATO DI ALTA PRESSIONE
HPT: TRASDUTTORE ALTA PRESSIONE
IDL: INDICATORE DI LIQUIDO
LPT: TRASDUTTORE BASSA PRESSIONE
LS: SEPARATORE DI LIQUIDO
VIC: VALVOLA INVERSIONE CICLO
HPT
HPS
LS
VIC VIC
LS
HPS
LPT LPT
HPT
BHE
IDL IDL
CP
CN
CV CV
CV
CV
CV
CN
TEV TEV
F
AL
F
CV
CV
AL
CP
CV
KEY:
AL FLUID STORAGE TANK
BHE PLATE HEAT EXCHANGER
CN AIR SIDE EXCHANGE
CP COMPRESSOR
CV 
F FILTER DRIER
HPS HIGH PRESSURE SWITCH
HPT HIGH PRESSURE TRANSDUCERS
IDL LIQUID INDICATOR
LPT LOW PRESSURE TRANSDUCERS
LS LIQUID SEPARATOR
VIC REVERSE CYCLE VALVE
3.2. COOLING CIRQUIT NRL HEAT PUMP

Related product manuals