EasyManua.ls Logo

Aeroflex 3500A - Page 15

Aeroflex 3500A
169 pages
Print Icon
To Next Page IconTo Next Page
To Next Page IconTo Next Page
To Previous Page IconTo Previous Page
To Previous Page IconTo Previous Page
Loading...
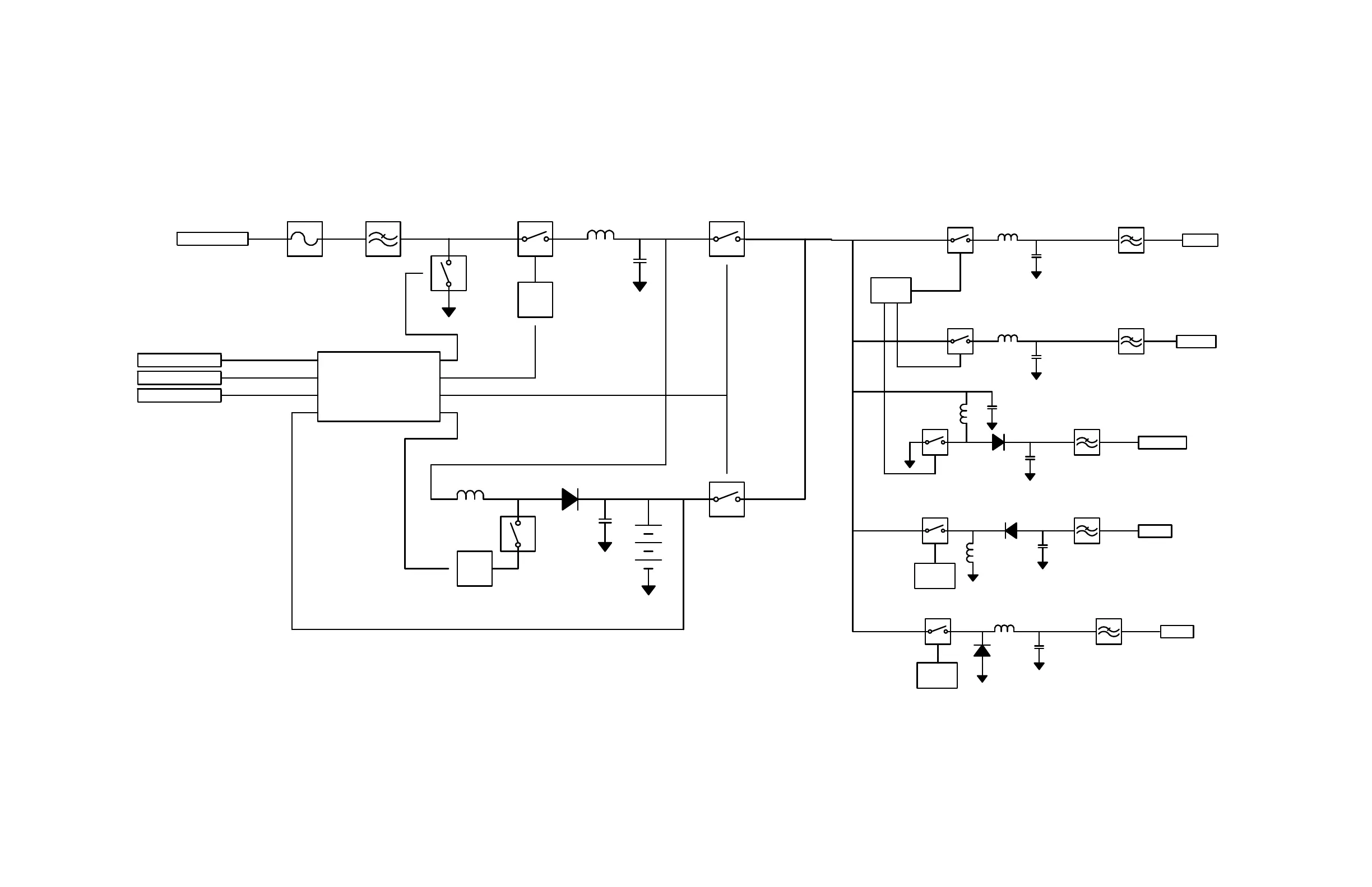
Figure 1-2. Power Supply PCB Assy
Block Diagram
Subject to Export Control, see Cover Page for details. 1-5
EXT DC IN
11 TO 32 Vdc
FUSE
CROWBAR
CHARGE
FULL CHARGE
PWR_ON_OFF
INPUT, OUTPUT
AND CHARGE
SUPERVISOR
PWM
BATTERY CHARGER
CHARGE
CONT
SOURCE
SELECT
PWM
CONT
INPUT
CONVERTER
10 Vdc
5 V CONVERTER
1 A TYPICAL
3.3 V CONVERTER
1 A TYPICAL
16 V CONVERTER
25 mA TYPICAL
-5 V CONVERTER
100 mA TYPICAL
+5.5 V CONVERTER
200 mA TYPICAL
PWM
CONT
-5 V
+16 Vdc
+3.3 V
+5 V
PWM
CONT
PWM
CONT
+5 V

Table of Contents

Other manuals for Aeroflex 3500A

Related product manuals