EasyManua.ls Logo

AES 7788F - Antenna Grounding and Surge Protection; 3.3 Antenna Grounding and Surge Protector

AES 7788F
43 pages
Print Icon
To Next Page IconTo Next Page
To Next Page IconTo Next Page
To Previous Page IconTo Previous Page
To Previous Page IconTo Previous Page
Loading...
AES 7788 Series RF Subscriber Unit ─ Installation and Operation Manual
AES Corporation 16 40-7788, Rev 6, August 30, 2016
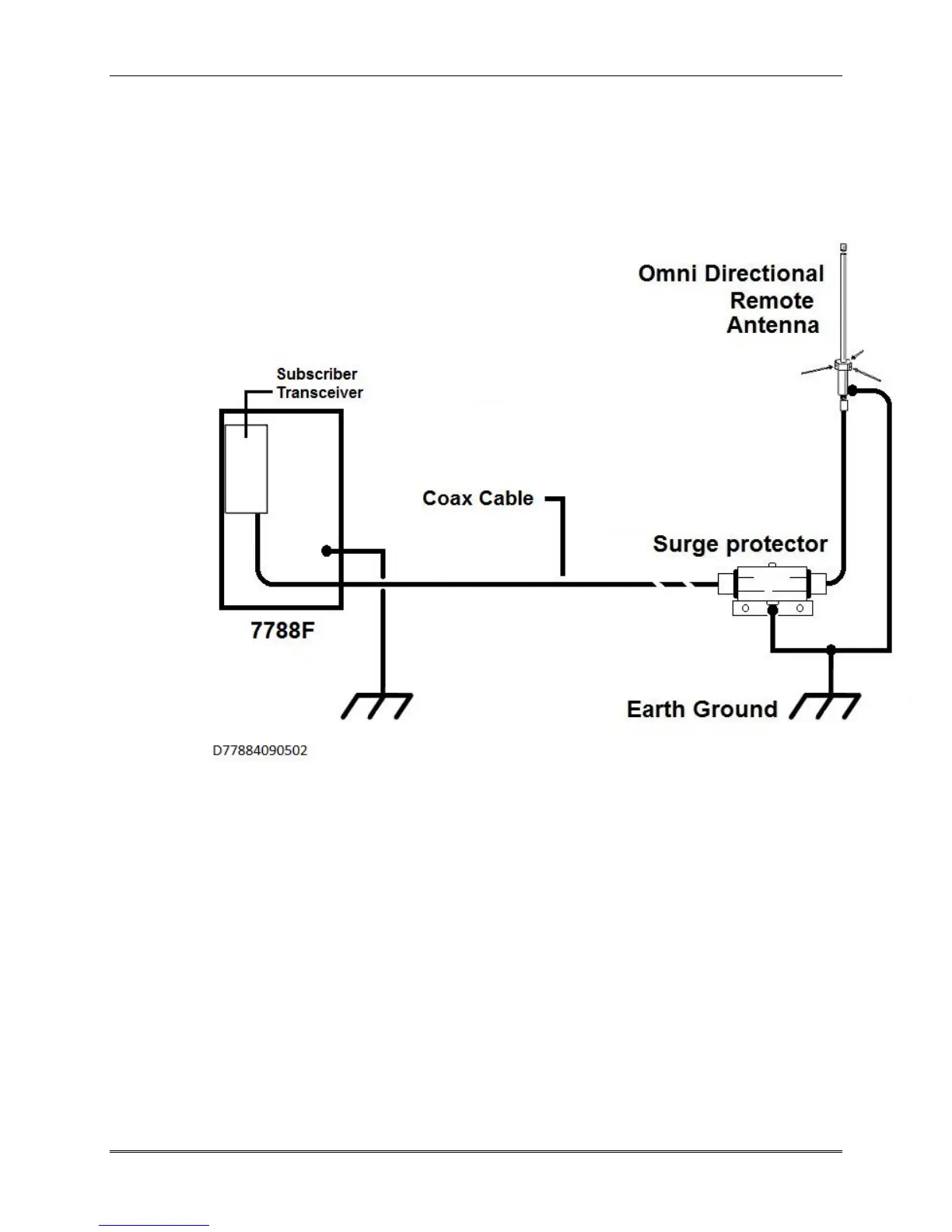
3.3 Antenna Grounding and Surge Protector
Below is a diagram illustrating grounding and surge protector for the 7788F with a
remote antenna installation.

Table of Contents