EasyManua.ls Logo

AGFA MSC 100 - Page 162

AGFA MSC 100
378 pages
Print Icon
To Next Page IconTo Next Page
To Next Page IconTo Next Page
To Previous Page IconTo Previous Page
To Previous Page IconTo Previous Page
Loading...
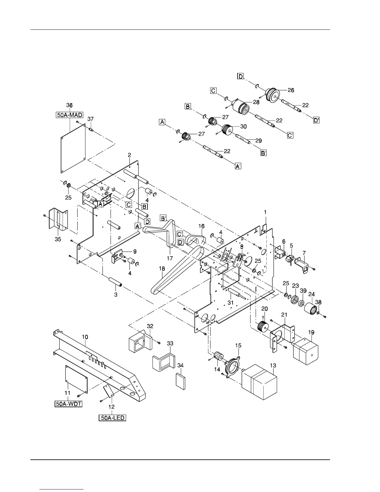
Papierlauf / Paper Drive / Avance papier
4.56
02.11.98 /PN 8042
AGFA MSC 100
Antrieb Papiermagazin rechts / Magazine Drive Right /
Entraînement Cassette à droite 50A-0113R
8506rf54.cdr

Table of Contents

Related product manuals