EasyManua.ls Logo

AGFA MSC 100 - Page 59

AGFA MSC 100
378 pages
Print Icon
To Next Page IconTo Next Page
To Next Page IconTo Next Page
To Previous Page IconTo Previous Page
To Previous Page IconTo Previous Page
Loading...
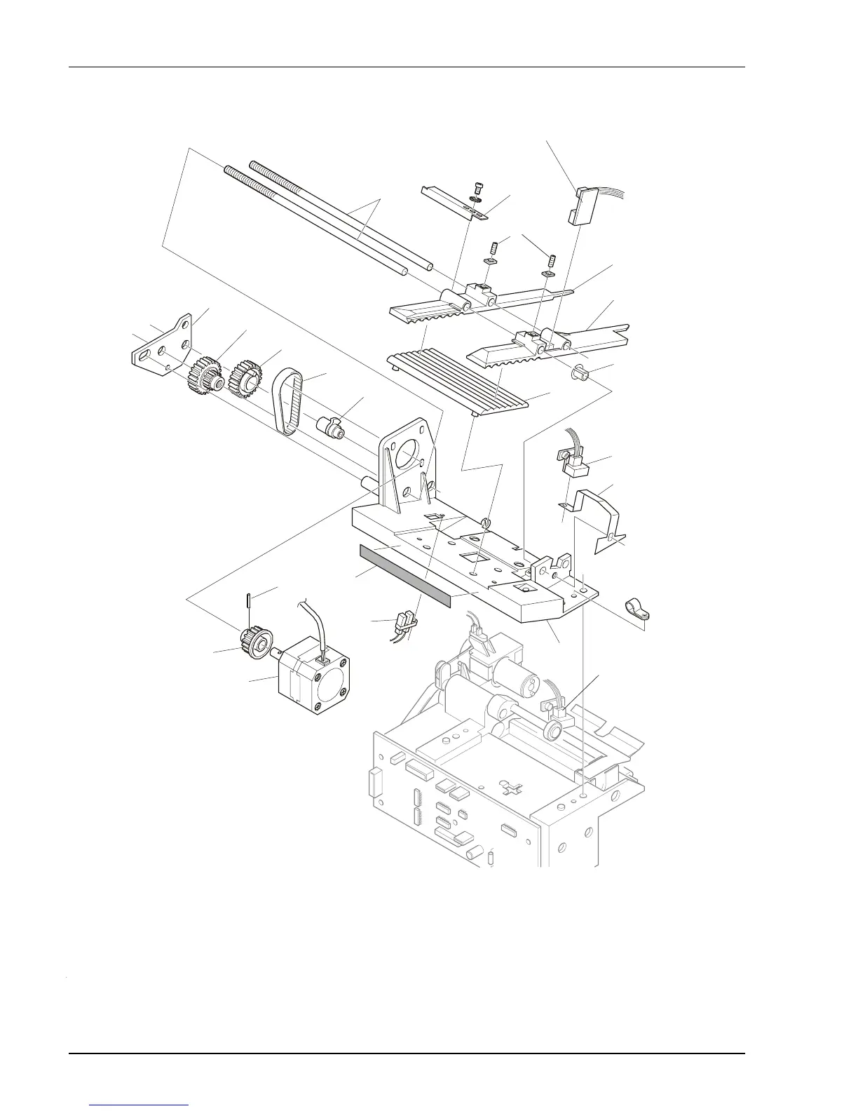
Filmlauf / Film Drive / Avance film
3.24
16.06.99 /PN 8043
AGFA MSC 200 / MSC 100
8.8508.5500.1 Filmauslauf / Film Output / Sortie film
85080007.CDR
56
57
64
68
69
70
54
65
66
67
58
63
61
60
59
62
51
53
52
50
55
64

Table of Contents

Related product manuals