EasyManua.ls Logo

AGFA MSC 100 - Page 65

AGFA MSC 100
378 pages
Print Icon
To Next Page IconTo Next Page
To Next Page IconTo Next Page
To Previous Page IconTo Previous Page
To Previous Page IconTo Previous Page
Loading...
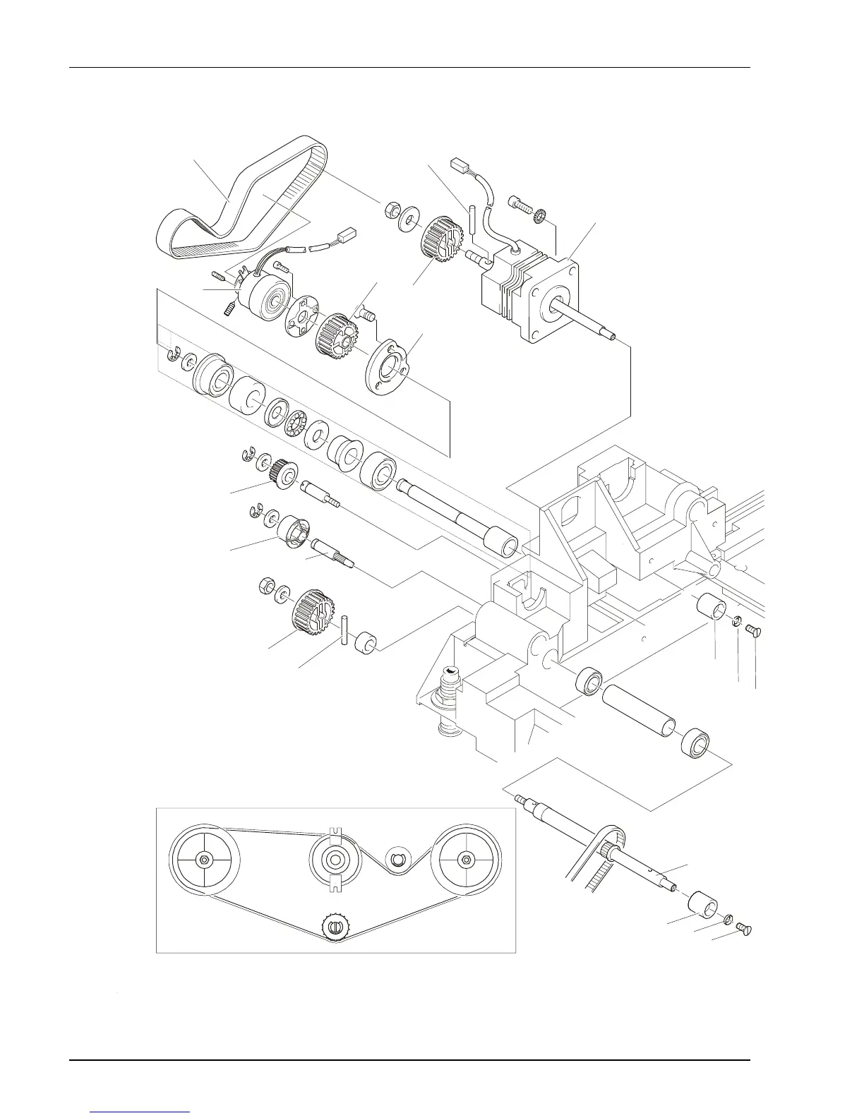
Filmlauf / Film Drive / Avance film
3.30
16.06.99 /PN 8043
AGFA MSC 200 / MSC 100
8.8506.5000.2 Negativbühne / Negative Carrier / Porte-négatif
85060007.CDR
20
26
22
23
21
27
31
29
30
28
36
27
22
24
34
33
33
35
24
32

Table of Contents

Related product manuals