EasyManua.ls Logo

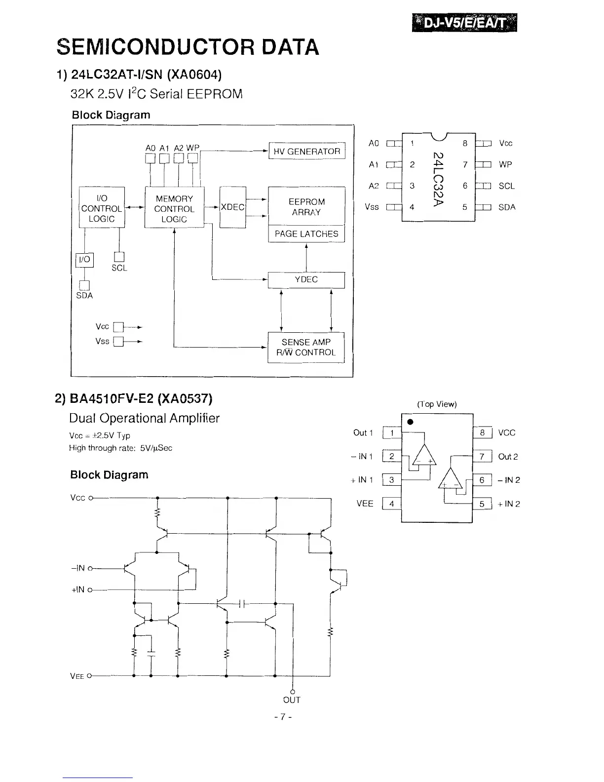
Alinco DJ-V5 - Semiconductor Data; 24 LC32 AT-I;SN Datasheet; BA4510 FV-E2 Datasheet

Alinco DJ-V5
42 pages
Print Icon
To Next Page IconTo Next Page
To Next Page IconTo Next Page
To Previous Page IconTo Previous Page
To Previous Page IconTo Previous Page
Loading...

Related product manuals