EasyManua.ls Logo

Allison B 500 - Page 382

Allison B 500
396 pages
Print Icon
To Next Page IconTo Next Page
To Next Page IconTo Next Page
To Previous Page IconTo Previous Page
To Previous Page IconTo Previous Page
Loading...
WTEC II ELECTRONIC CONTROLS TROUBLESHOOTING MANUAL
P–26 Copyright © 1998 General Motors Corp.
APPENDIX P — INPUT/OUTPUT FUNCTIONS
WARNING!
These schematics show the intended use of the specified controls features which
have been validated in the configuration shown. Any miswiring or use of these
features which differs from that shown could result in damage to equipment or
property, personal injury, or loss of life. ALLISON TRANSMISSION IS NOT
LIABLE FOR THE CONSEQUENCES ASSOCIATED WITH MISWIRING
OR UNINTENDED USE OF THESE FEATURES.
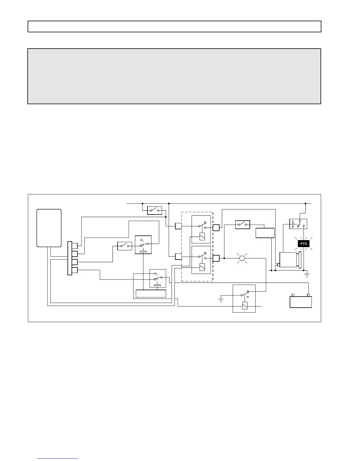
AUTOMATIC NEUTRAL FOR REFUSE PACKER AND PTO ENABLE (OPTIONAL)
USES: Provides for automatic selection of NEUTRAL and activation of fast idle when work brake is applied.
Automatically re-engages transmission when park brake is released.
VARIABLES TO SPECIFY: Max output rpm to enable Neutral, max engine rpm for PTO engagement,
max engine rpm for PTO operation, max output rpm for PTO engagement, max output rpm for PTO
operation.
VOCATIONS: Refuse packer, recycling truck
Figure P–25. Automatic Neutral for Refuse Packer and PTO Enable (Optional)
V05029.01
WIRE 161B
SIGNAL GROUND
WIRE 117
PACK ENABLE
WIRE 112 PTO ENABLE OUTPUT
WIRE 114 NEUTRAL INDICATOR FOR PTO
WIRE 153
AUTO NEUTRAL
PACKER INPUT
WORK BRAKE
PRESSURE
SWITCH #1
(5 20 PSI)
PRESSURE
SWITCH #2
(5 20 PSI)
PTO
SWITCH
SWITCHED
POWER
SWITCHED
POWER
CUSTOMER
SUPPLIED RELAY
+
Relays shown de-energized
A2
NC
COM
114
112
VIM
NO
NC
COM
NO
NC
COM
NO
NC
NO
COM
NC
NO
COM
A3
F2
F3
FAST IDLE
SOLENOID
DASH
LIGHT
PTO
PRESSURE
SWITCH
PTO
FAST IDLE
CONTROL
NEUTRAL
INDICATOR
(GREEN DASH LIGHT)
Indicates neutral &
work brake on
AUTO
NEUTRAL
CAB SWITCH
WIRE 118
PTO ENABLE INPUT
8
16
13
2
VIW
CONNECTOR
ECU
WARNING!
These schematics show the intended use of the specified controls features which
have been validated in the configuration shown. Any miswiring or use of these
features which differs from that shown could cause unintended selection of range
or other unpredictable operation resulting in damage to equipment or property,
personal injury, or loss of life. ALLISON TRANSMISSION IS NOT LIABLE
FOR THE CONSEQUENCES ASSOCIATED WITH MISWIRING OR
UNINTENDED USE OF THESE FEATURES.

Table of Contents

Related product manuals