EasyManua.ls Logo

Alpha-InnoTec LW 71A - Page 53

Alpha-InnoTec LW 71A
80 pages
Print Icon
To Next Page IconTo Next Page
To Next Page IconTo Next Page
To Previous Page IconTo Previous Page
To Previous Page IconTo Previous Page
Loading...
53
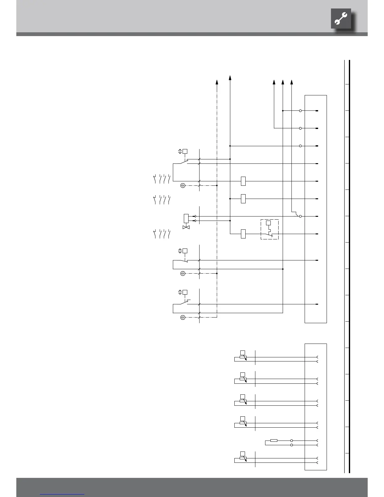
N Reg
/1.14
E23
/1.14
L Reg
/1.14
MOT
/1.14
PE
/1.14
12
-X12
L
-X10
6
27
11
N
P
+-
b2 c4
a1
-F1
HDP
5
1 2
/1.7
3 4
/1.7
5 6
/1.7
21 22
1
A1
A2
-Q1
VD1
1 2
/1.11
3 4
/1.12
5 6
/1.12
21 22
10
A1
A2
-Q3
VBO
7
28
-X10
-K10
1 2
/1.4
3 4
/1.5
5 6
/1.5
21 22
8
ϑ
-STB
A1
A2
-Q5
ZW1
3
P
+-
c4
a1
-F2
NDP
P
- +
c4
a1
-B10
AEP
9
-X12
ϑ
1
-X52
-R4
TRL
2
ϑ
3
-R5
TVL
4
ϑ
5
-R6
THG
6
ϑ
7
-R3
TWA
8 9
29
-X7
-R10
CW
10
30
ϑ
11
-R2
TWE
12
NDP
F1
STB
Low-pressure switch
K10
VBO Contactor fan
Q5
Legend:
AEP
-X12
TRL
-X52
R3 If installed: heat source outlet gauge
TVL
Hot gas sensor
UK817332
TWA
ZW1
Defrosting valve
B10
Plug on switch box heat pump (control line)
High-pressure switch
Q1
Defrosting pressostat
X12
Safety temperature limiter heating element
Contactor for compressor 1
Contactor for auxiliary heating
Q3
Function
F2
Terminal in switch box heat pumpX10
HDP
PE
-K10 -F2
VD1
Operating materials
R2
N ND
bl
THGTRL
L1
PE
-F1
VD1 AV
TWA
HD
bl
ZW1MOT VBO
X52
2
R6
-B10
ASD
bl
THG
R4
R5
TVL
TWE
Flow sensor
Encoding resistor, 442 Ohm
bl
R10
rt 1 PE
Return sensor
If installed: heat source input gauge
Plug on switch box heat pump (gauge line)
CW
TWE
LW71-81 A
817332
Achim Pfleger 16.03.2010
- PEP 030/2009
1 2 3 4 5 6 7 8 9 10 11 12 13 14 15 16
1 2 3 4 5 6 7 8 9 10 11 12 13 14 15 16
2/2
2
14.05.2010
Achim Pfleger
10X540 - 10X541;
Blatt-Nr.
Zustand
Änderung
Bearb.
Datum
Name
Bl von Anz
Datum
We reserve the right to modify technical specifications without prior notice.
UK830532/200610 © Alpha-InnoTec GmbH
Circuit diagram 2/2 LW 71A • LW 81A

Related product manuals