EasyManua.ls Logo

Alpha-InnoTec LW 71A - Page 55

Alpha-InnoTec LW 71A
80 pages
Print Icon
To Next Page IconTo Next Page
To Next Page IconTo Next Page
To Previous Page IconTo Previous Page
To Previous Page IconTo Previous Page
Loading...
55
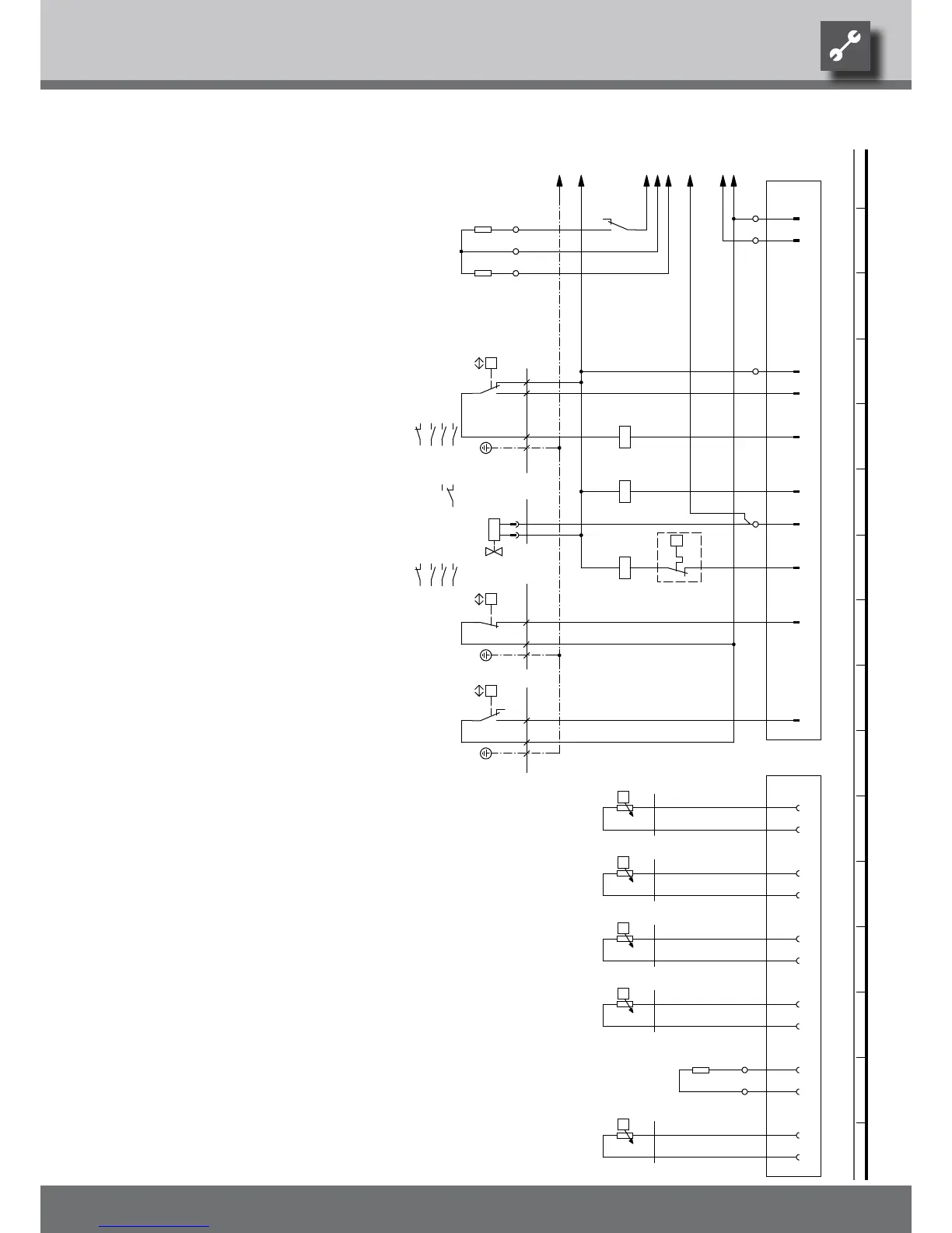
L Reg
/1.15
MOT
/1.15
E23
/1.15
GND
/1.15
0-10V
/1.15
+10V
/1.15
N Reg
/1.15
PE
/1.15
12
-X12
L
-X10
11
12 14
-K3
6
1
-X10
-R50
6
27
2 3
-R51
11
-X12
N
-X10
P
+-
b2 c4
a1
-F1
HDP
5
1 2
/1.8
3 4
/1.9
5 6
/1.9
21 22
/1.9
1
A1
A2
-Q1
VD1
10
A1
A2
-K3
VBO
7
28
-X10
-K10
1 2
/1.5
3 4
/1.5
5 6
/1.5
21 22
8
ϑ
-STB
A1
A2
-Q5
ZW1
3
P
+-
c4
a1
-F2
NDP
P
- +
c4
a1
-B10
AEP
9
-X12
ϑ
1
-X52
-R4
TRL
2
ϑ
3
-R5
TVL
4
ϑ
5
-R6
THG
6
ϑ
7
-R3
TWA
8 9
29
-X10
-R10
CW
10
30
ϑ
11
-R2
TWE
12
12
14
11
2
bl
AV
R50
HD
K10
Contactor for compressor 1
-X12
ND
VD1
Voltage divider 3.24 kohm
NDP
-F2
Defrosting pressostat
R10 Encoding resistor, 1800 Ohm
Q1
MOT
TRL
Flow sensor
Defrosting valve
STB
B10
Q5
Safety temperature limiter heating element
HDP
Contactor for auxiliary heating
X12
Low-pressure switch
Operating materials
F2
PE
Plug on switch box heat pump (control line)
2
High-pressure switchF1
X52
UK817331
AEP
bl
X10
Legend:
ZW1
bl
TWE
ASD
VD1
VBO
Function
-X52
Terminal in switch box heat pump
-F1
rt
L1
R51 Voltage divider 7.50 kohm
Auxiliary relay, fan activation
bl
K3
PE
TWA
-K10
PE
ZW1
THG
If installed: heat source outlet gauge
R4
CW
Return sensor
R3
R2
THGTVL
If installed: heat source input gauge
-B10
TWE
Hot gas sensor
R5
R6
TWA
TVL
1
Plug on switch box heat pump (gauge line)
N
TRL
LW 101-121 A
817331
Achim Pfleger 05.03.2010
- PEP 026-027/2009
1 2 3 4 5 6 7 8 9 10 11 12 13 14 15 16
1 2 3 4 5 6 7 8 9 10 11 12 13 14 15 16
2/2
2
17.05.2010
Achim Pfleger
10X542 - 10X543;
Blatt-Nr.
Zustand
Änderung
Bearb.
Datum
Name
Bl von Anz
Datum
We reserve the right to modify technical specifications without prior notice.
UK830532/200610 © Alpha-InnoTec GmbH
Circuit diagram 2/2 LW 101A • LW 121A