EasyManua.ls Logo

Alpha-InnoTec LW 71A - Page 61

Alpha-InnoTec LW 71A
80 pages
Print Icon
To Next Page IconTo Next Page
To Next Page IconTo Next Page
To Previous Page IconTo Previous Page
To Previous Page IconTo Previous Page
Loading...
61
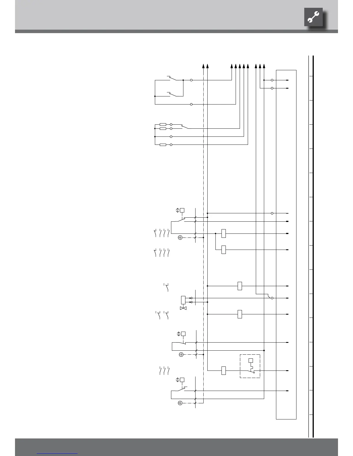
L Reg
/1.16
MOT
/1.16
E23
/1.16
GND
/1.16
0-10V
/1.16
+10V
/1.16
DIn
/1.16
+24V
/1.16
N Reg
/1.16
PE
/1.16
12
-X12
L
-X10
1
-X10
11
12 14
-K4
10
6
27
11
12 14
-K3
11
2
3
-X10
-R50
21
22 24
-K3
11
4
-R51
5 6
-R52
11
-X12
N
N
-X10
P
+-
b2 c4
a1
-F1
HDP
5
1 2
/1.7
3 4
/1.7
5 6
/1.7
21 22
/1.8
1
A1
A2
-Q1
VD1
4
A1
A2
-Q2
VD2
2
-X12
A1
A2
-K4
7
28
-X10
-K10
10
A1
A2
-K3
3
-X12
P
+-
c4
a1
-F2
NDP
8
-X12
ϑ
-STB
A1
A2
-Q5
ZW1
P
- +
c4
a1
-B10
AEP
9
1 2
/1.5
3 4
/1.5
5 6
/1.5
12
14
11
2
22
24
21
4
12
14
11
2
1 2
/1.9
3 4
/1.10
5 6
/1.10
21 22
/1.10
R52
Voltage divider 2.49 kohm
R51
Voltage divider 7.50 kohm
R50
Q5
ASDL1
Voltage divider 5.62 kohm
ZW1
TRL
K10
-K10
STB Safety temperature limiter heating element
Flow sensor
VBOVD1
Defrosting valve
Contactor for auxiliary heating
R3
HDP
R2
Low-pressure switch
Defrosting pressostat
NDP
Legend:
Operating materials
B10
VEN
Terminal in switch box heat pump
Function
MOT
R10
Q1 Contactor for compressor 1VD1
-X12
Plug on switch box heat pump (control line)
UK817344
AEP
K3
R6 THG
X12
F2
HD
X10
PE
AV
Auxiliary relay, fan activation, low speed
Hot gas sensor
High-pressure switch
TWE If installed: heat source input gauge
VD2
1
PE
TWA
VD2
ZW1
2
CW
Contactor for compressor 2
ND
3 1
-F1
N
PE
R5
Encoding resistor, 2200 Ohm
F1
-F2
K4
Q2
2
TVL
If installed: heat source outlet gauge
1
Auxiliary relay, fan activation, high speed
X52
Return sensor
Plug on switch box heat pump (gauge line)
-B10
R4
2
LW 251 A
817344
Achim Pfleger 04.11.2009
- PEP 029/2009
1 2 3 4 5 6 7 8 9 10 11 12 13 14 15 16
1 2 3 4 5 6 7 8 9 10 11 12 13 14 15 16
2/3
2
17.05.2010
Achim Pfleger
10X546;
Blatt-Nr.
Zustand
Änderung
Bearb.
Datum
Name
Bl von Anz
Datum
We reserve the right to modify technical specifications without prior notice.
UK830532/200610 © Alpha-InnoTec GmbH
Circuit diagram 2/3 LW 251A