EasyManua.ls Logo

Alpha-InnoTec LW 71A - Page 68

Alpha-InnoTec LW 71A
80 pages
Print Icon
To Next Page IconTo Next Page
To Next Page IconTo Next Page
To Previous Page IconTo Previous Page
To Previous Page IconTo Previous Page
Loading...
68
L Reg
/1.15
MOT
/1.15
R23
/1.15
N Reg
/1.15
PE
/1.15
12
-X12
L
-X7
6
1
11
N
P
+-
b2 c4
a1
-F1
HDP
5 1
A1
A2
-K1
VD1
4
A1
A2
-K2
VD2
23
24
-K1
3
3
-X7
ϑ
-E2
4
-Y2
N PE
53
54
-K2
4
5
ϑ
-E3
6
-Y3
N
53
54
-K4
8
A1
A2
-K3
PE
53
54
-K5
9
2
-X12
21
22
-K5
9
A1
A2
-K4
7
2
-X7
-Y1
10
21
22
-K4
8
A1
A2
-K5
3
P
+-
c4
a1
-F2
NDP
8
-X12
ϑ
-STB
A1
A2
-K6
ZW1
P
- +
c4
a1
-E1
AEP
9
ϑ
1
-X52
-R4
TRL
2
ϑ
3
-R5
TVL
4
ϑ
5
-R6
THG
6 9
29
-X7
-R10
CW
10
30
1 2
/1.12
3 4
/1.12
5 6
/1.12
21 22
1 2
/1.4
3 4
/1.4
5 6
/1.4
21 22
1 2
/1.12
3 4
/1.13
5 6
/1.13
21 22
8
53 54
8
1 2
/1.13
3 4
/1.13
5 6
/1.14
21 22
9
53 54
7
1 2
/1.9
3 4
/1.9
5 6
/1.9
21 22
/1.10
53 54
6
1 2
/1.6
3 4
/1.6
5 6
/1.6
21 22
/1.7
23 24
4
-E2
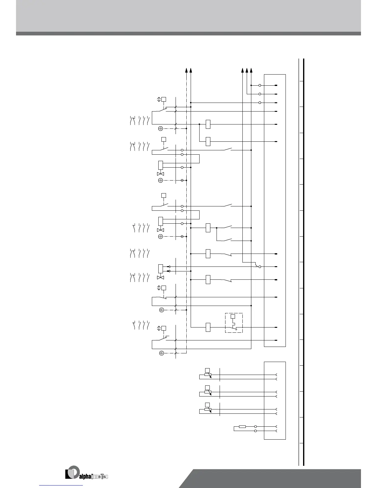
Plug on switch box heat pump (control line)
Safety temperature limiter heating element
Contactor for compressor 1
-X52
K1
AV
K3
L1
1
F1
TRL
Contactor for auxiliary heating
PE
High-pressure switch
Network protection fan
Terminal in switch box heat pump
X52
K2
TVL
Return sensor
-E1
2 1
Flow sensor
bl
AEP
R10
E3
MOT
R4
Hot gas thermostat gas injection compressor 2
ZW1
VEN
Solenoid valve gas injection compressor 1
VBO
NDP
-E3
E1 Defrosting pressostat
ASD
K6
-Y1
THG
X7
VD1
F2
Y1
Triangle contactor fan
Defrosting valve
Y2
-Y3
K4
K5
VD1
Star contactor fan
STB
Hot gas sensor
rt
Operating materials
-X12
R5
ZW1
Function
2
E2
Solenoid valve gas injection compressor 2Y3
Low-pressure switch
2 PE PE
TVL
1
Legend:
R6
CW
Plug on switch box heat pump (gauge line)
Encoding resistor, 1150 Ohm
-F2
THG
VD2
ND
bl
VD2
X12
TRL
Hot gas thermostat gas injection compressor 1
Contactor for compressor 2
HD
HDP
3
UK817066d
-F1
N
-Y2
17.05.1999Achim Pfleger
2/2
LW320H-A
1 2 3 4 5 6 7 8 9 10 11 12 13 14 15 16
2
18.11.2009
1 2 3 4 5 6 7 8 9 10 11 12 13 14 15 16
d
Escher F.
ÄM
Zustand
Index:
Bl von AnzÄnderung
Urspr.
Blatt-Nr.
Bearb.
Datum
Name
Norm
Ers. für
Projekt:
Gepr.
ANr.
Ers. durch
Datum
We reserve the right to modify technical specifications without prior notice.
UK830532/200610 © Alpha-InnoTec GmbH
LW 320H-A Circuit diagram 2/2

Related product manuals