EasyManua.ls Logo

Alpha-InnoTec LWDV - Hydraulic Integration: Buffer Tank & Module

Alpha-InnoTec LWDV
40 pages
Print Icon
To Next Page IconTo Next Page
To Next Page IconTo Next Page
To Previous Page IconTo Previous Page
To Previous Page IconTo Previous Page
Loading...
31
Subject to technical amendments without prior notice | 83055800cUK – Translation of the operating manual | ait-deutschland GmbH
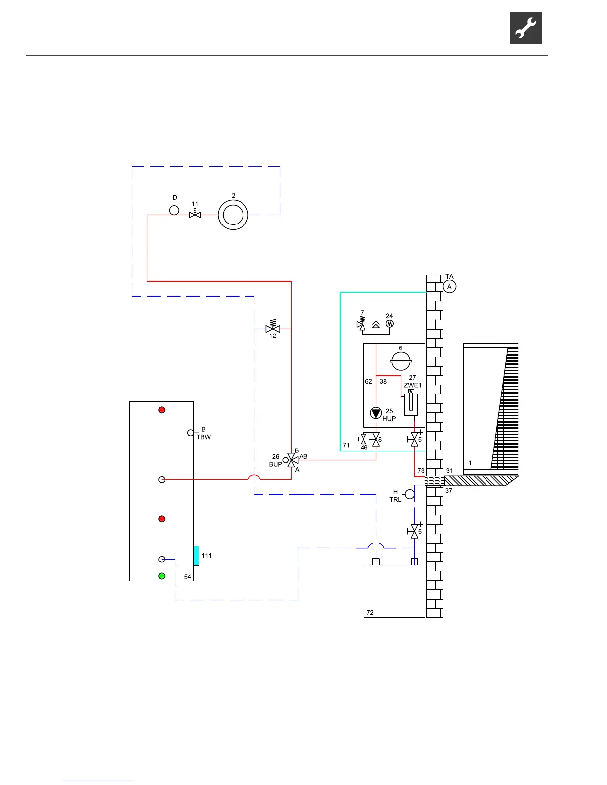
Hydraulicintegrationwithbu󰀨ertankinseriesandhydraulicmodule

Table of Contents

Related product manuals