EasyManua.ls Logo

Alpha ARES 440 Tec - Page 28

Alpha ARES 440 Tec
60 pages
Print Icon
To Next Page IconTo Next Page
To Next Page IconTo Next Page
To Previous Page IconTo Previous Page
To Previous Page IconTo Previous Page
Loading...
Instructions for the inst aller
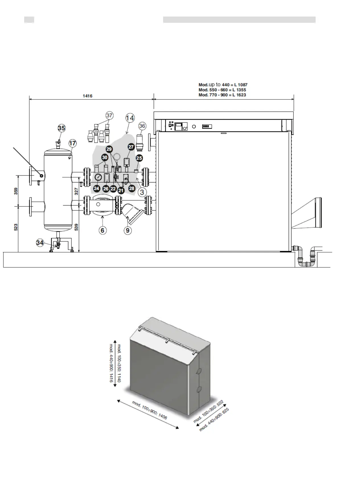
3.13 CoMpLETE opTIoNAL SAFETY KITS

Related product manuals