EasyManua.ls Logo

alphatronics AlphaCom XL - Figure 3: Schematics PSTN Tamper Loop; Figure 4: Jumper for PSTN Tamper Loop; PSTN Tamper Loop

alphatronics AlphaCom XL
74 pages
Print Icon
To Next Page IconTo Next Page
To Next Page IconTo Next Page
To Previous Page IconTo Previous Page
To Previous Page IconTo Previous Page
Loading...
Service manual AlphaCom XL transceiver Rev. 1.4 10-08-2011 Blz. 14/74
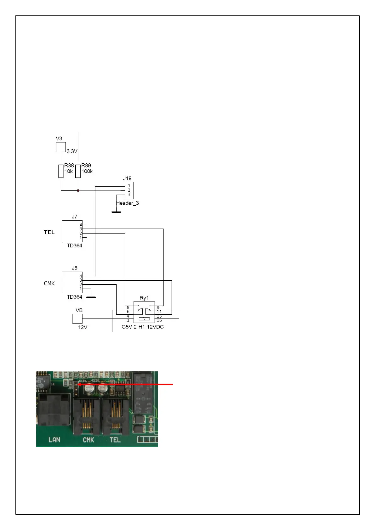
The analog dialer of the control panel is connected to the alarm dialer RJ-11 input (marked with CMK). The
two center wires (2 and 3) are used voor the analog telephone connection (A/B line), the two outer wires (1
and 4) are used as a tamper loop.
PSTN tamper loop
The AlphaCom XL is equipped with an option to monitor the cable connection between the analog dialer of
a control panel and the PSTN input on the AlphaCom XL board. To use this option jumper J19 must placed
across pins 1 and 2. The outer 2 wires (1 and 4) of the telephone cable are used. Both wires 1 and 4 should
be connected together on the side of the dialer in the control panel. To clarify the tamper loop solution see
the schematics below:
Figure 3: Schematics PSTN tamper loop
Jumper J19 is easy to find using the picture below:
Figure 4: Jumper for PSTN tamper loop
J19 is to select the PSTN tamper loop option.
Pin 3 of the schematics (0V) is the top pin of
the 3.

Table of Contents