EasyManua.ls Logo

Alpine HDA-M80 - Page 167

Alpine HDA-M80
180 pages
Print Icon
To Next Page IconTo Next Page
To Next Page IconTo Next Page
To Previous Page IconTo Previous Page
To Previous Page IconTo Previous Page
Loading...
ALPINE HDA-M80/HDA-F60/HDA-V90 68-44781Z25-A (EN/DE/FR/ES/IT/SE/RU/CS)ALPINE HDA-M80/HDA-F60/HDA-V90 68-44781Z25-A (EN/DE/FR/ES/IT/SE/RU/CS)
11-CS
EN
ES
DE
IT
RU
FR
SE
CS
系统图
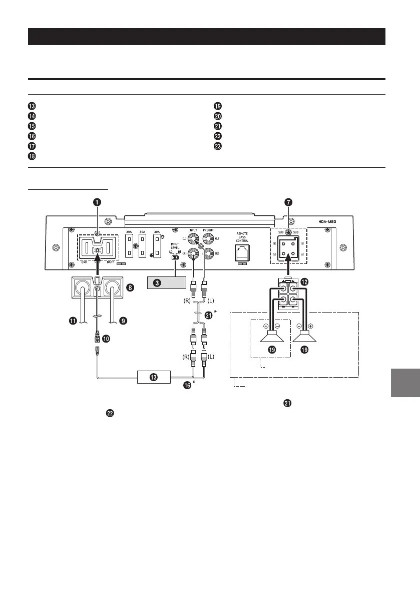
在进行连接之前,请检查连接到本装置的扬声器的阻抗总数。如果您有任何问题,请联系
最近的Alpine经销商。
HDA-M80的基本连接图
主机等
前端输出
后端输出
超低频扬声器输出
前置扬声器
后置扬声器
超低频扬声器
双音圈超低频扬声器
RCA延长电缆(另售)
扬声器-RCA转换电缆(另售)
Y形适配器(另售)
超低频扬声器系统
1超低频扬声器系统
2超低频扬声器系统(MONO
[LO]
* 如果连接的主机没有扬声器输出,并且无法使用RCA延长电缆(
),则可以使用扬声
-RCA转换电缆(
)(另售)。有关如何建立连接的详细信息,请参阅“关于连接到扬
声器输入电平系统”(第17页)。
关于电源指示灯
电源指示灯
电源打开时点亮。
电源关闭时熄灭。
指示颜色 状态 解决方案
蓝色 放大器电路正常。
红色
(闪烁)
工作温度高。 调低主机的音量(输入信号)。
将车辆内部温度降至正常水平。
指示灯颜色变为蓝色。
红色 放大器电路异常。
发生电气短路,或电源电
流过高。
关闭电源并排除原因。
然后打开本装置,确认指示灯颜色已变为
蓝色。
如果仍为红色,请关闭本装置并咨询经销
商。
工作温度太高。 将车辆内部温度降至正常水平。
指示灯颜色变为蓝色。
电源电压太高。 使用正确的电源电压。
指示灯颜色变为蓝色。

Related product manuals