EasyManua.ls Logo

Alpine HDA-M80 - Systemdiagramme

Alpine HDA-M80
180 pages
Print Icon
To Next Page IconTo Next Page
To Next Page IconTo Next Page
To Previous Page IconTo Previous Page
To Previous Page IconTo Previous Page
Loading...
ALPINE HDA-M80/HDA-F60/HDA-V90 68-44781Z25-A (EN/DE/FR/ES/IT/SE/RU/CS)ALPINE HDA-M80/HDA-F60/HDA-V90 68-44781Z25-A (EN/DE/FR/ES/IT/SE/RU/CS)
11-DE
EN
ES
DE
IT
RU
FR
SE
CS
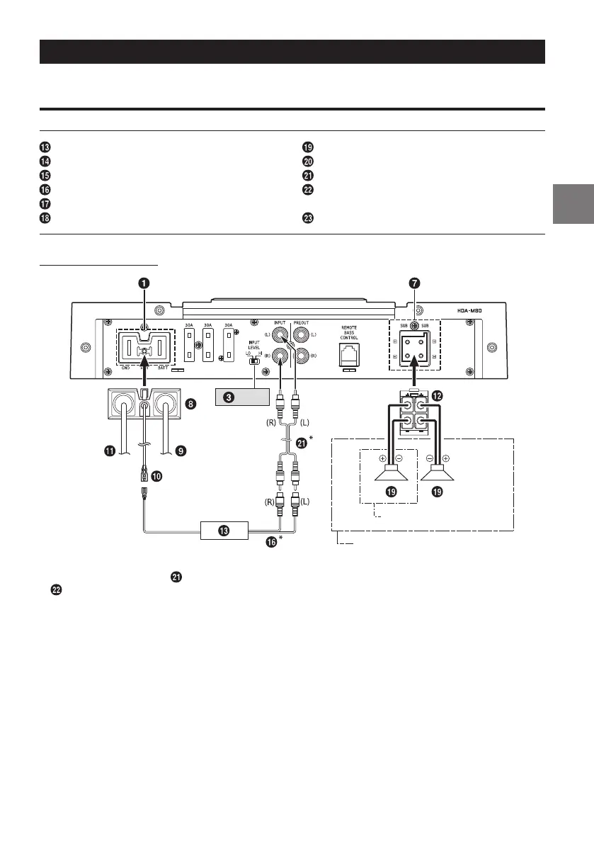
SYSTEMDIAGRAMME
Überprüfen Sie vor dem Herstellen von Anschlüssen die Gesamtsumme der Impedanz der an das Gerät
angeschlossenen Lautsprecher. Wenden Sie sich bei Fragen an den nächsten Alpine-Händler.
Grundlegendes Anschlussdiagramm für den HDA-M80
Hauptgerät usw.
Ausgang vorne
Ausgang hinten
Subwooferausgang
Frontlautsprecher
Hecklautsprecher
Subwoofer
Subwoofer mit Doppelschwingspule
RCA-Verlängerungskabel (separat erhältlich)
RCA-Lautsprecheradapterkabel (separat
erhältlich)
Y-Adapter (separat erhältlich)
Subwoofer-System
1-Subwoofer-System
2-Subwoofer-System (MONO)
[LO]
* Wenn das angeschlossene Hauptgerät nicht über einen Lautsprecherausgang verfügt und keine
RCA-Verlängerungskabel ( ) verwendet werden können, können Sie das RCA-Lautsprecheradapterkabel
( ) (separat erhältlich) verwenden. Einzelheiten zum Vornehmen von Anschlüssen finden Sie unter
„Hinweis zum Anschluss an das System mit Lautsprechereingangspegel“ (Seite 17).
Hinweis zur Betriebsanzeige
Betriebsanzeige
Leuchtet, wenn die Stromzufuhr eingeschaltet ist.
Leuchtet nicht, wenn die Stromzufuhr ausgeschaltet ist.
Anzeigefarbe Status Abhilfe
Blau Schaltkreis des Verstärkers
arbeitet normal.
Rot
(blinkt)
Die Betriebstemperatur ist
hoch.
Reduzieren Sie die Lautstärke des Hauptgeräts
(Eingangssignal).
Bringen Sie die Temperatur in der Fahrgastzelle
bzw. im Kofferraum auf einen normalen Wert.
Die Anzeige leuchtet danach blau.
Rot Störung in der
Verstärkerschaltung.
Es ist ein Kurzschluss
aufgetreten oder der
Versorgungsstrom ist zu stark.
Schalten Sie die Stromversorgung aus und
beseitigen Sie die Störung.
Schalten Sie das Gerät dann wieder ein und
vergewissern Sie sich, dass die Anzeige wieder blau
leuchtet.
Sollte sie weiterhin rot leuchten, schalten Sie das
Gerät aus und wenden sich an Ihren Fachhändler.
Die Betriebstemperatur ist zu
hoch.
Senken Sie die Temperatur im Inneren des
Fahrzeugs auf ein normales Niveau.
Die Anzeige leuchtet danach blau.
Zu hohe
Versorgungsspannung.
Bringen Sie die Versorgungsspannung auf einen
normalen Wert.
Die Anzeige leuchtet danach blau.

Related product manuals