EasyManua.ls Logo

Alpine HDA-M80 - SYSTEM DIAGRAMS; HDA-V90 Basic Connection Diagram

Alpine HDA-M80
180 pages
Print Icon
To Next Page IconTo Next Page
To Next Page IconTo Next Page
To Previous Page IconTo Previous Page
To Previous Page IconTo Previous Page
Loading...
ALPINE HDA-M80/HDA-F60/HDA-V90 68-44781Z25-A (EN/DE/FR/ES/IT/SE/RU/CS)ALPINE HDA-M80/HDA-F60/HDA-V90 68-44781Z25-A (EN/DE/FR/ES/IT/SE/RU/CS)
15-EN
EN
ES
DE
IT
RU
FR
SE
CS
2 Speaker + 1 Subwoofer System (Bridged Connections)
Refer to “4 Speaker System (page 13).
2 Speaker System (Bridged Connections)
Refer to “4 Speaker System (page 13).
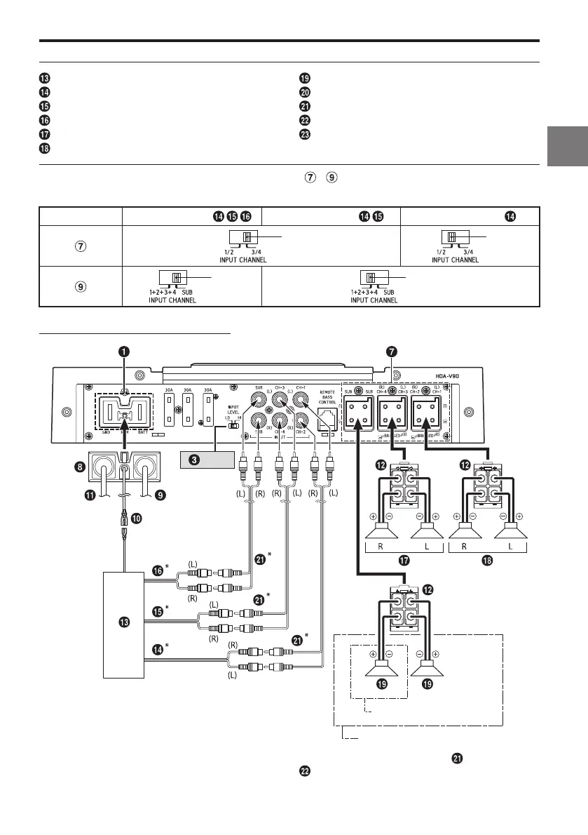
Basic Connection Diagram for HDA-V90
Head Unit, etc.
Front Output
Rear Output
Subwoofer Output
Front Speakers
Rear Speaker
Subwoofer
Dual Voice Coil Subwoofer
RCA Extension Cable (Sold Separately)
Speaker-RCA Conversion Cable (Sold Separately)
Y-Adapter (Sold Separately)
For HDA-V90, change the Input Channel Selector Switch ( )/( ) setting according to the number of
channels of the speaker input.
5-Channel Input: 4-Channel Input:
2-Channel Input:
[3/4] [1/2]
[SUB]
[1+2+3+4]
4 Speaker + Subwoofer System
1 Subwoofer System
[LO]
2 Subwoofer System (MONO)
* If the connected head unit does not have a Speaker Output and RCA Extension Cables ( ) cannot be
used, you can use the Speaker-RCA Conversion Cable ( ) (sold separately). For details on how to make a
connection, see About Connection to the Speaker Input Level System (page 17).

Related product manuals