EasyManua.ls Logo

Alpine INA-W910 - System Example

Alpine INA-W910
198 pages
Print Icon
To Next Page IconTo Next Page
To Next Page IconTo Next Page
To Previous Page IconTo Previous Page
To Previous Page IconTo Previous Page
Loading...
128-EN
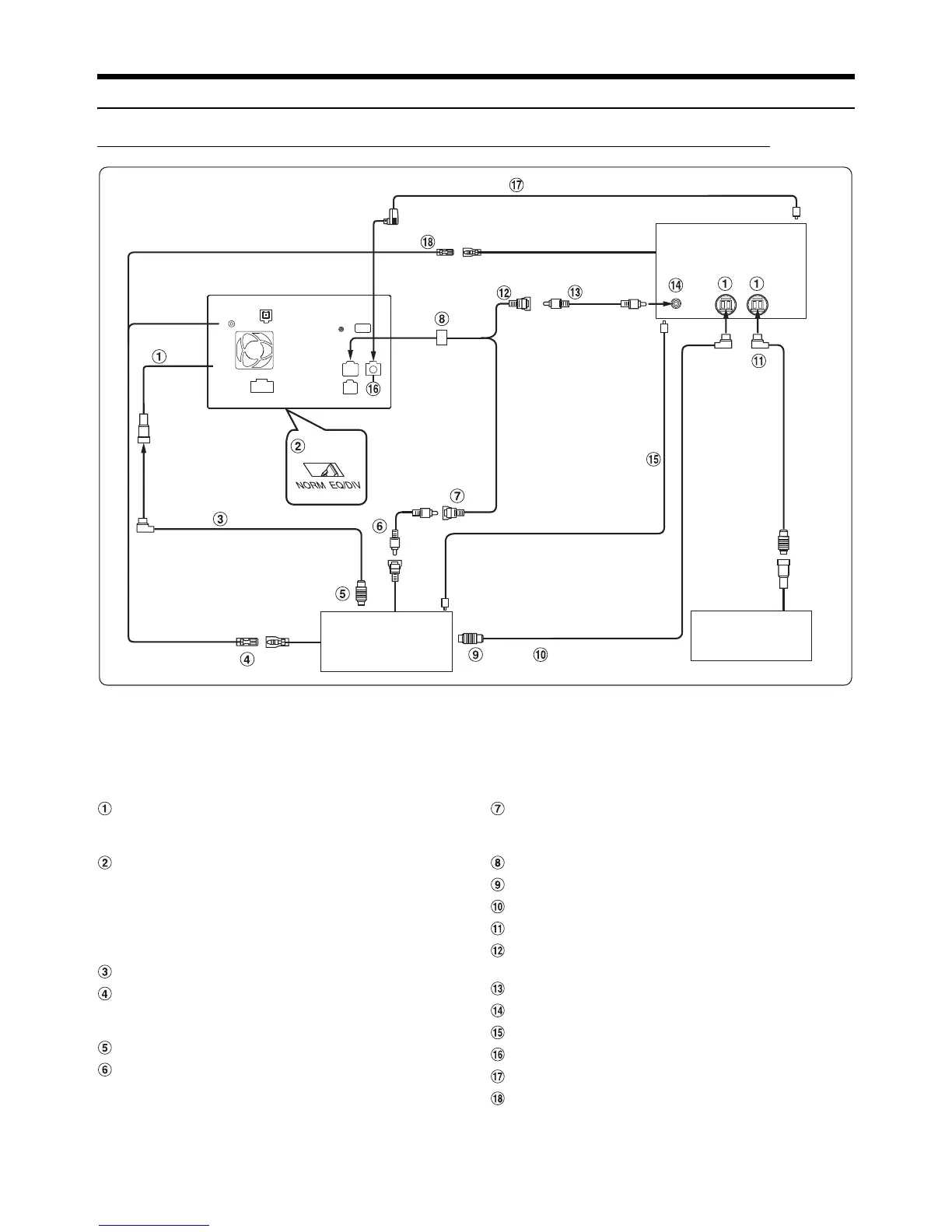
System Example
Connect the Ai-NET compatible audio processor (Fiber optic digital compatible) DVD player and changer.
P
lease observe the following when using Fiber Optic Cable (Optical Digital Cable).
Do not coil the Fiber Optic Cable smaller than a 30 mm radius.
Do not place anything on top of the Fiber Optic Cable.
Be careful not to bend the Fiber Optic Cable at a sharp angle.
Ai-NET Connector
Connect this to the output or input connector of other
product equipped with Ai-NET.
System Switch
When connecting an equalizer or divider using Ai-NET
feature, place the switch in the EQ/DIV position. When no
device is connected, leave the switch in the NORM position.
Be sure to turn the power off to the unit before changing the switch
position.
Ai-NET Cable (Included with DVD video player)
Remote Control Output Lead (White/Brown)
Connect this lead to the remote control input lead. This lead
outputs the controlling signals from the remote control.
To Ai-NET Connector (Gray)
RCA Extension Cable (Included with DVD video
player)
Video Input Connector (AUX INPUT) (Yellow)
Connect the video output lead of a DVD video player or
DVD changer to this terminal.
AUX I/O / Camera Input Connector
To Ai-NET Connector (Black)
Ai-NET Cable (Included with Audio Processor)
Ai-NET Cable (Included with CD Changer)
Guide Connector (Black)
Output the audio signal of navigation interruption.
RCA Extension Cable (sold separately)
Guide Input terminal
Fiber Optic Cable (sold separately)
Digital Output Terminal (Optical)
Optical Digital Cable (KWE-610A) (sold separately)
Guide Control Lead (White/Green)
Use when an optional External Audio Processor with guide
control input terminal is connected.
Audio Processor (PXA-H701)
(Ai-NET) (Fiber Optic Digital
compatible) (sold separately)
Ai-NET cable
Ai-NET
cable
CD Changer
(Ai-NET)
(sold separately)
DVD Video Player
(Ai-NET)
(DVA-5210, etc.)
(sold separately)
REMOTE IN
REMOTE OUT
(White/Brown)
(White/Brown)
(Yellow)
Ai-NET cable
* Only connect fiber optic digital compatible CD Changer
Guide Control

Table of Contents

Other manuals for Alpine INA-W910

Related product manuals