EasyManua.ls Logo

Ameri-Shred 2 Series - Page 30

Ameri-Shred 2 Series
31 pages
Print Icon
To Next Page IconTo Next Page
To Next Page IconTo Next Page
To Previous Page IconTo Previous Page
To Previous Page IconTo Previous Page
Loading...
30
AMS-1000 Hard Drive Shredder Manual 2016 v.1
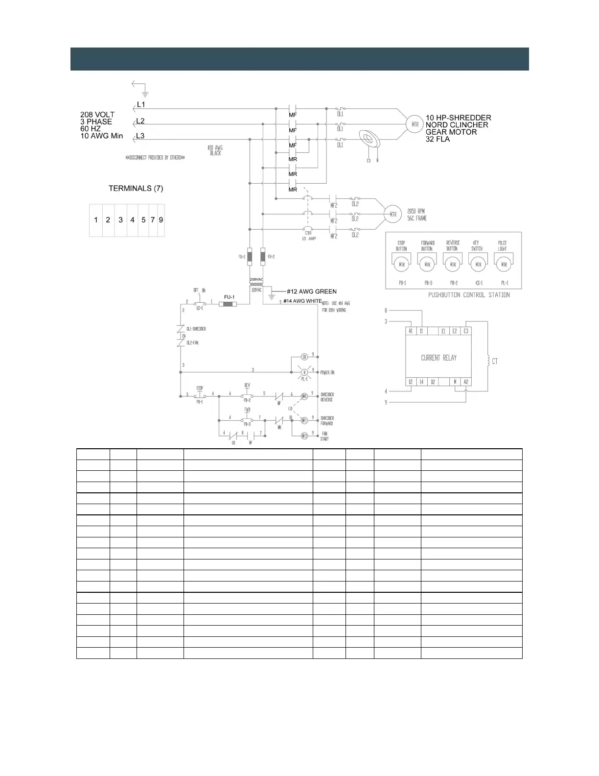
ELECTRICAL DIAGRAM - 10 HP, 208 V 3 PH-60 HZ WITH AIR FILTRATION
ITEM QTY PART # DESCRIPTION ITEM QTY PART # DESCRIPTION
MTR 1 112409-200 GEAR DRIVE 10 HP 208V - 1 104699 CONDUIT FTG-1/2" STR
MF-2 1 111281 STARTER-FAN - 7 111747-J4 TERMINAL BLOCK
TRANS 1 104626 TRANSFORMER-50V A 208/120V - 1 104449 CONTACT BLOCK
CB-1 1 111842-15-3 15 AMP 3 POLE BREAKER - 1 104694 CORD GRIP-STRAIN RELIEF
OL-2 1 111262 OVERLOAD-FAN - 15 104768 WIRE-10 AWG BLACK
FU-1 1 104383 FUSE-1 AMP - 12 104778 WIRE-10/SO CORD
FU-2 2 104400 FUSE-2 AMP - 75 104763 WIRE-14 AWG RED
CT 1 104629 CURRENT TRANSFORMER - 1 104635 C.T. MTG BRKT
OL-1 1 111270 OVERLOAD 23-32 AMPS - 1 110908 LEGEND PLT SHREDDER REV
CR 1 104528 CURRENT RELAY - 1 110907 LEGEND PLT SHREDDER FWD
MFR 1 111253 CONTACTOR - 1 110909 LEGEND PLT-OFF/ON
PB-1 1 104439 PUSHBUTTON-STOP - 1 110911 LEGEND PLT-SHREDDER STOP
PB-2 1 104441 PUSHBUTTON-REV - 1 110912 LEGEND PLT-POWER ON
PB-3 1 104440 PUSHBUTTON-FWD - 1 104224 ENCLOSURE
KS-1 1 104442 KEYSWITCH - 1 104223 BACKPLATE
PL-1 1 104443 PILOT LIGHT - 1 104689 PLUG
- 4 104819 CONDUIT-1/2" - 1 104688 RECEPTICLE
- 2 104700 CONDUIT FTG-1/2" 90 DEG

Related product manuals