EasyManua.ls Logo

American Eagle 40P - Typical Hydraulic Circuit Diagrams

American Eagle 40P
20 pages
Print Icon
To Next Page IconTo Next Page
To Next Page IconTo Next Page
To Previous Page IconTo Previous Page
To Previous Page IconTo Previous Page
Loading...
Page 8 | American Eagle
®
40P Compressor Manual
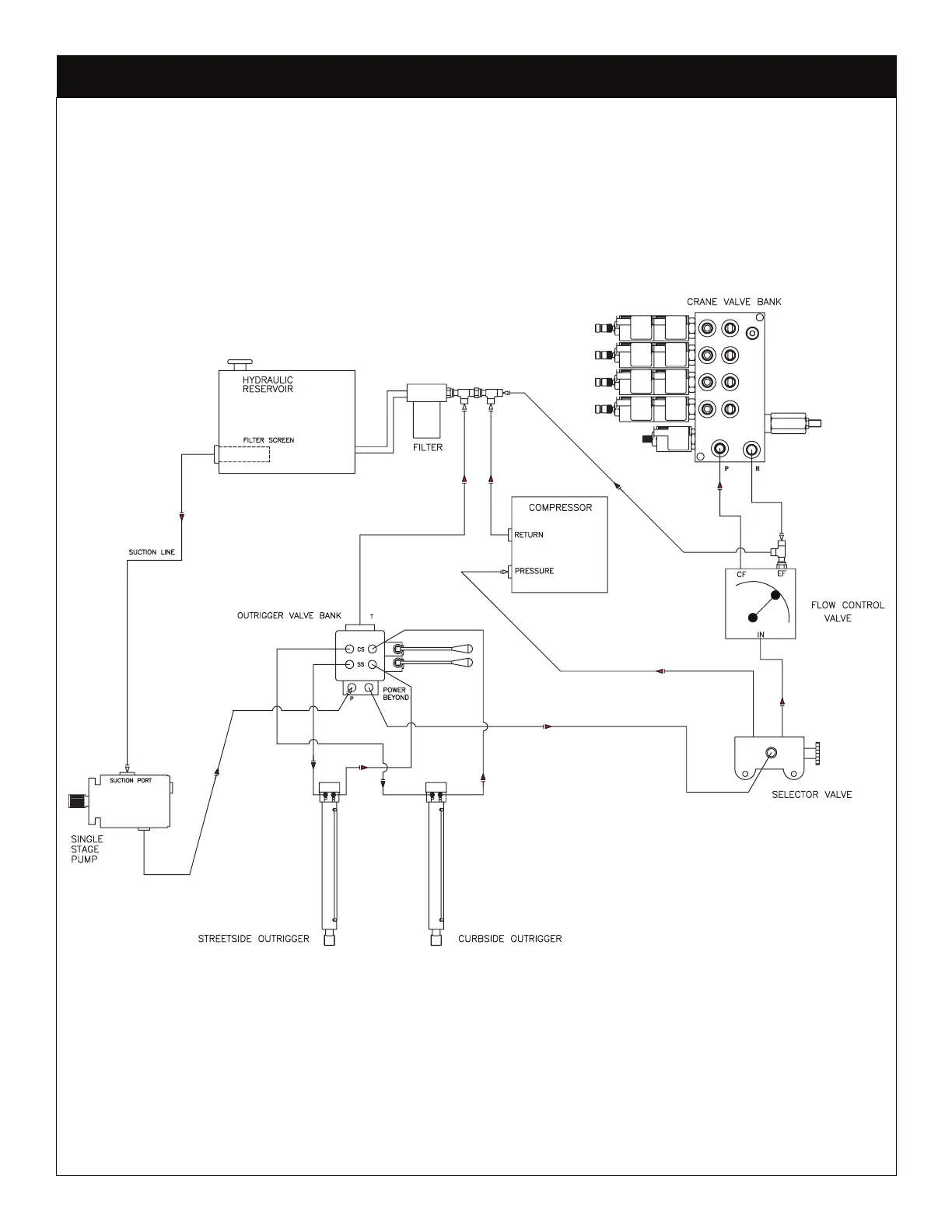
Typical Hydraulic Circuit for Single-Section Pump
PN 30533

Related product manuals