EasyManua.ls Logo

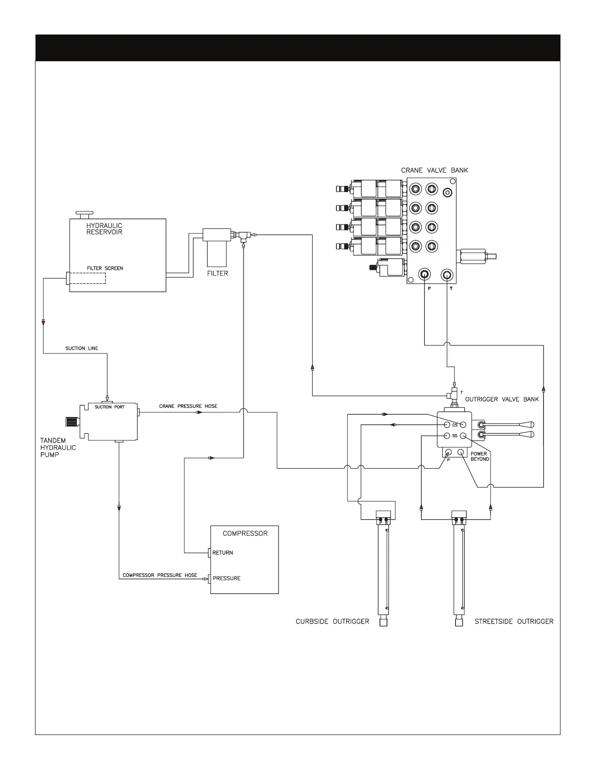
American Eagle 40P - Typical Hydraulic Circuit for Tandem (Two Part) Pump

American Eagle 40P
20 pages
Print Icon
To Next Page IconTo Next Page
To Next Page IconTo Next Page
To Previous Page IconTo Previous Page
To Previous Page IconTo Previous Page
Loading...
American Eagle
®
40P Compressor Manual | Page 9
Typical Hydraulic Circuit for Tandem (Two Part) Pump
PN 30532

Related product manuals