EasyManua.ls Logo

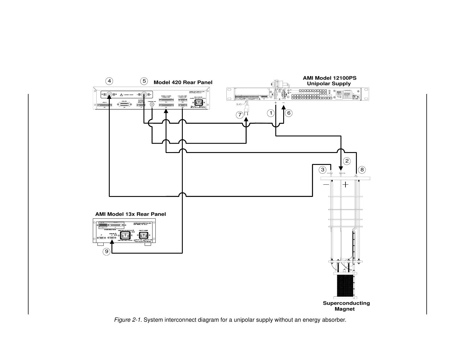
AMI 420 - Figure 2-1 System Interconnect Diagram for a Unipolar Supply Without an Energy Absorber

Default Icon
134 pages
Print Icon
To Next Page IconTo Next Page
To Next Page IconTo Next Page
To Previous Page IconTo Previous Page
To Previous Page IconTo Previous Page
Loading...
Rev. 7 17
Installation
Unipolar Supply without Energy Absorber
0$*1(767$7,21
&211(&7256
/+H/(9(/7(03
&211(&7256
,138732:(5
&855(176+817
352*5$0287
,(((
$%625%(5
92/7$*(
48(1&+,2
56
$0(5,&$10$*1(7,&6,1&
2$.5,'*(7186$

-
- -
-
-$
-%
-$
-%
6(/(&7256:,7&+,16,'(
/,1(+]9$0$;
9 9
Superconducting
Magnet
Model 420 Rear Panel
1
2
3
4 5
6
8
9
/,1(92/7$*($0$;
&21752//(5287387
&20081,&$7,216
+]6(/6:,16,'(
-
$0(5,&$10$*1(7,&6,1&
2$.5,'*(7186$
,138732:(5
RS-232
J8
S11
ON
9$& 9$&
6(1625
-
AMI Model 13x Rear Panel
7
AMI Model 12100PS
Unipolar Supply
Figure 2-1. System interconnect diagram for a unipolar supply without an energy absorber.

Table of Contents

Related product manuals