EasyManua.ls Logo

AMI 420 - Figure 2-2 System Interconnect Diagram for a Unipolar Supply with an AMI Model 601 Energy Absorber

Default Icon
134 pages
Print Icon
To Next Page IconTo Next Page
To Next Page IconTo Next Page
To Previous Page IconTo Previous Page
To Previous Page IconTo Previous Page
Loading...
Rev. 7 19
Installation
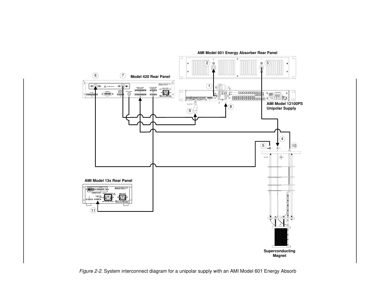
Unipolar Supply with AMI Model 601 Energy Absorber
0$*1(767$7,21
&211(&7256
/+H/(9(/7(03
&211(&7256
,138732:(5
&85 5(1 7 6+8 17
352*5$0287
,(((
$%625%(5
92/7$*(
48(1&+,2
56
$0(5,&$10$*1(7 ,&6,1&
2$.5,'*(7186$

-
- -
-
-$
-%
-$
-%
6(/(&7256:,7&+,16,'(
/,1 (   + ]  9 $ 0 $;
9 9
Superconducting
Magnet
Model 420 Rear Panel
1
4
5
6 7
8
10
11
/, 1(92/ 7$*( $0 $;
&21752//(5287387
&20081, &$7, 216
+]6(/6:,1 6,' (
-
$0(5, &$10$*1(7, &6 ,1&
2$ . 5 ,'* (7 1 8 6$
,138732:(5
RS-232
J8
S11
ON
9$& 9$&
6(1625
-
AMI Model 13x Rear Panel
9
AMI Model 12100PS
Unipolar Supply
AMI Model 601 Energy Absorber Rear Panel
2 3
Figure 2-2. System interconnect diagram for a unipolar supply with an AMI Model 601 Energy Absorber.

Table of Contents

Related product manuals