EasyManua.ls Logo

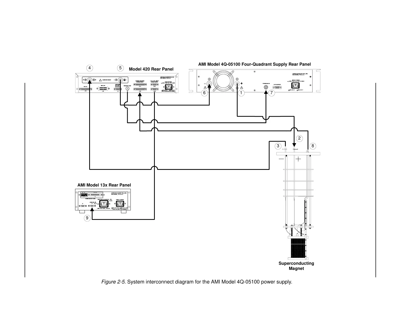
AMI 420 - Figure 2-5 System Interconnect Diagram for the AMI Model 4 Q-05100 Power Supply

Default Icon
134 pages
Print Icon
To Next Page IconTo Next Page
To Next Page IconTo Next Page
To Previous Page IconTo Previous Page
To Previous Page IconTo Previous Page
Loading...
Rev. 7 27
Installation
High-Current Four-Quadrant Supply
$0(5,&$10$*1(7,&6,1&
2$. 5, '* ( 71 8 6 $
352*5$0,1
836%$&.83
,138732:(5
9  9
/,1(+] 9$ 0$;
0$*1(767$7,21
&211( &7256
/+H/(9(/7(03
&21 1(&7256 ,138732:(5
&855(17 6+817
352*5 $0 287
,(((
$%625%(5
92/7$*(
48(1&+ , 2
56
$0(5,&$10$*1(7,&6, 1&
2$. 5, ' *( 71 8 6 $

-
- -
-
-$
-%
-$
-%
6(/(&7256:,7&+,16,'(
/,1( +]9$0$;
 9  9
Superconducting
Magnet
Model 420 Rear Panel
2
3
4 5
6
8
9
/,1(92/7$*( $0$;
&21752//(5287387
&20081,&$7,216
+]6(/ 6:, 16,'(
-
$0(5,&$10$*1(7,&6,1&
2$.5,'*(7186$
,138732:(5
RS-232
J8
S11
ON
9$& 9$&
6(1625
-
AMI Model 13x Rear Panel
7
AMI Model 4Q-05100 Four-Quadrant Supply Rear Panel
1
Figure 2-5. System interconnect diagram for the AMI Model 4Q-05100 power supply.

Table of Contents

Related product manuals