EasyManua.ls Logo

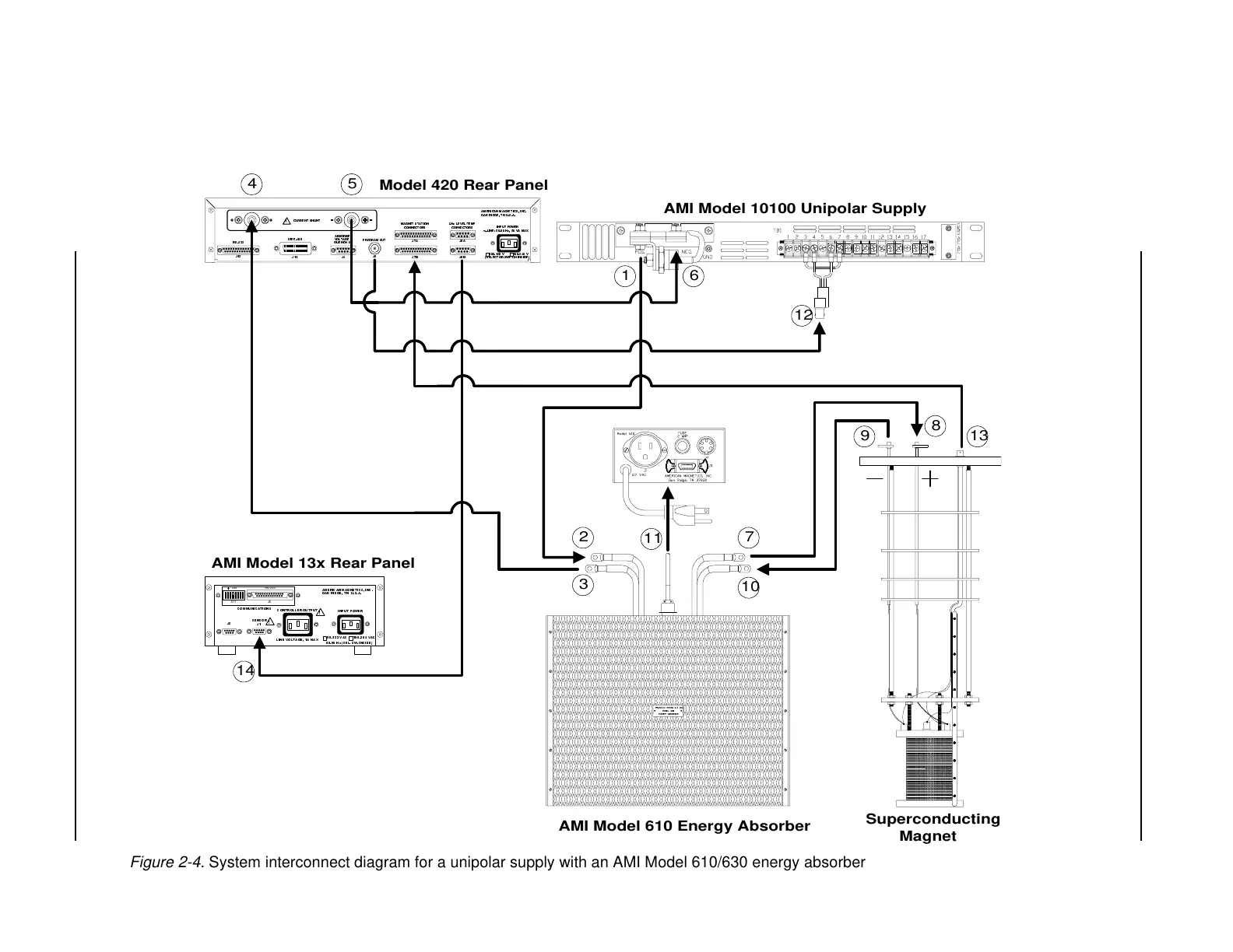
AMI 420 - Figure 2-4 System Interconnect Diagram for a Unipolar Supply with an AMI Model 610;630 Energy Absorber and a Current Reversing Switch

Default Icon
134 pages
Print Icon
To Next Page IconTo Next Page
To Next Page IconTo Next Page
To Previous Page IconTo Previous Page
To Previous Page IconTo Previous Page
Loading...
Rev. 7 25
Installation
Unipolar Supply with 610/630 Energy Absorber and Current Reversing Switch
0$*1(767$7,21
&211(&7256
/+H/(9(/7(03
&211(&7256
,138732:(5
&855(176+817
352*5$0287
,(((
$%625%(5
92/7$*(
48(1&+,2
56
$0(5,&$10$*1(7,&6,1&
2$.5,'*(7186$

-
- -
-
-$
-%
-$
-%
6(/(&7256:,7&+,16,'(
/,1(+]9$0$;
9 9
Superconducting
Magnet
Model 420 Rear Panel
1
2
3
6
7
14
/,1(92/7$*($0$;
&21752//(5287387
&20081,&$7,216
+]6(/6:,16,'(
-
$0(5,&$10$*1(7,&6,1&
2$.5,'*(7186$
,138732:(5
RS-232
J8
S11
ON
9$& 9$&
6(1625
-
AMI Model 13x Rear Panel
12
AMI Model 10100 Unipolar Supply
4 5
13
8
9
10
AMI Model 610 Energy Absorber
11
Figure 2-4. System interconnect diagram for a unipolar supply with an AMI Model 610/630 energy absorber and a current reversing switch.

Table of Contents

Related product manuals