EasyManua.ls Logo

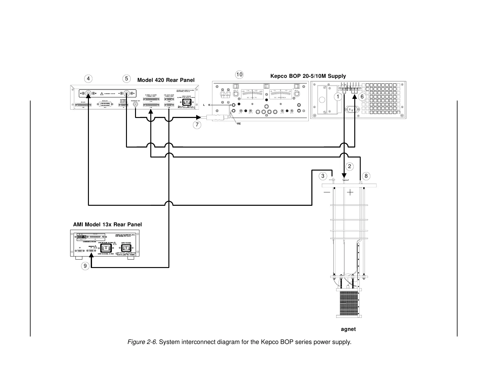
AMI 420 - Figure 2-6 System Interconnect Diagram for the Kepco BOP Series Power Supply

Default Icon
134 pages
Print Icon
To Next Page IconTo Next Page
To Next Page IconTo Next Page
To Previous Page IconTo Previous Page
To Previous Page IconTo Previous Page
Loading...
Rev. 7 29
Installation
High-Resolution Four Quadrant Supply
VOLTAGE
PROG RAMMING
INPUT
VOLTAGE
KEPCO
CURRENT
MODE
VOLT AGE CONT ROL
BIPOLAR OPERATIONAL POWER SUPPLY/AMPLIFIER
V
o
+V
I
o
+I
CURRENT C ONTROL
ONOFFON OFF
POWER
ON
OFF
CURRENT
PROGRAMM ING
INPUT
REMOTE
VOLTAGE LIMITS CURRENT LIMITS
GRO UN D
SENS E C OMMO N OU TPUT SEN SE
V
o
0
o
+V
I
o
0
o
+I
RED
BLACK
S
OUT OUT GRD
GRD
NET.
COM
S
COM
0$*1(7 67$7,2 1
&211(&7256
/+H /( 9 (/7( 0 3
&211(& 725 6
,138732:( 5
&855(176+817
352*5$0287
,(((
$%625% (5
92/7$*(
48(1&+,2
56
$0(5,&$10$*1(7,&6,1&
2$.5,'*(7186$

-
- -
-
-$
-%
-$
-%
6(/(&7256:,7&+,16,'(
/,1(+]9$0$;
 9  9
Superconducting
Magnet
Model 420 Rear Panel
1
2
3
4 5
6
8
9
/,1( 92/7$*( $0$;
&21752//(5287387
&20081,&$7,216
+]6(/6:,16,'(
-
$0(5,&$10$*1(7,&6,1&
2$.5,'*(7186$
,1 38 7 32 :(5
RS- 23 2
J8
S11
ON
  9 $ &   9 $ &
6(1625
-
AMI Model 13x Rear Panel
7
Kepco BOP 20-5/10M Supply
10
Figure 2-6. System interconnect diagram for the Kepco BOP series power supply.

Table of Contents

Related product manuals