EasyManua.ls Logo

andrews MAXXflo - Page 22

andrews MAXXflo
44 pages
Print Icon
To Next Page IconTo Next Page
To Next Page IconTo Next Page
To Previous Page IconTo Previous Page
To Previous Page IconTo Previous Page
Loading...
MAXXo Water Heater
2222
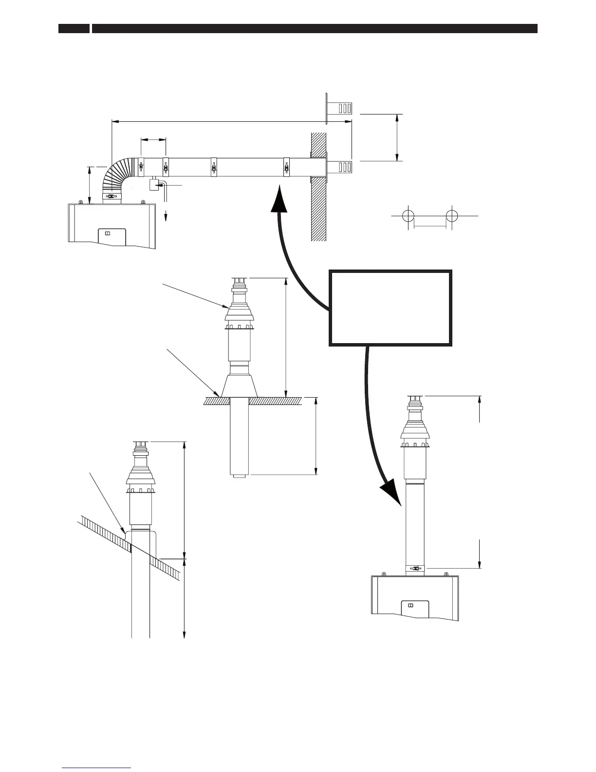
CWH30 & CWH60 ALTERNATIVE FLUE SYSTEMS
CWH30 & CWH60 Alternative Flue Systems
CWH30 max 50M Conventional
CWH60 max 20M Conventional
CWH30 max 14M Concentric
CWH60 max 12M Concentric
Over 1.5M use flue
Condense trap.
Paint:
RAL 7012
Flat roof Flashing
E065
drain
To
135
258
Condense Tap
820
1.5M
Minimum between
Vertical terminals
300mm
Minimum between balanced
flued horizontal terminals
1.2M when using 90º bend
0.7M when using 45º bend
and 1.5M when using
condensetrap
For concentric flue runs
reduce overall length by:
Can be cut
to suit roof
structure
530
805
CWH30 max
50M Conventional
CWH60 max
20M Conventional
CWH30 max
14M Concentric
CWH60 max
12M Concentric
Can be cut to suit
roof structure
545
E066
Angled roof
flashing
SECTION 3 INSTALLATION

Table of Contents

Related product manuals