EasyManua.ls Logo

Angelo Po FX101E2 - General Functional Diagram

Angelo Po FX101E2
125 pages
Print Icon
To Next Page IconTo Next Page
To Next Page IconTo Next Page
To Previous Page IconTo Previous Page
To Previous Page IconTo Previous Page
Loading...
Copyright by Servizio Clienti ANGELO PO Spa
52
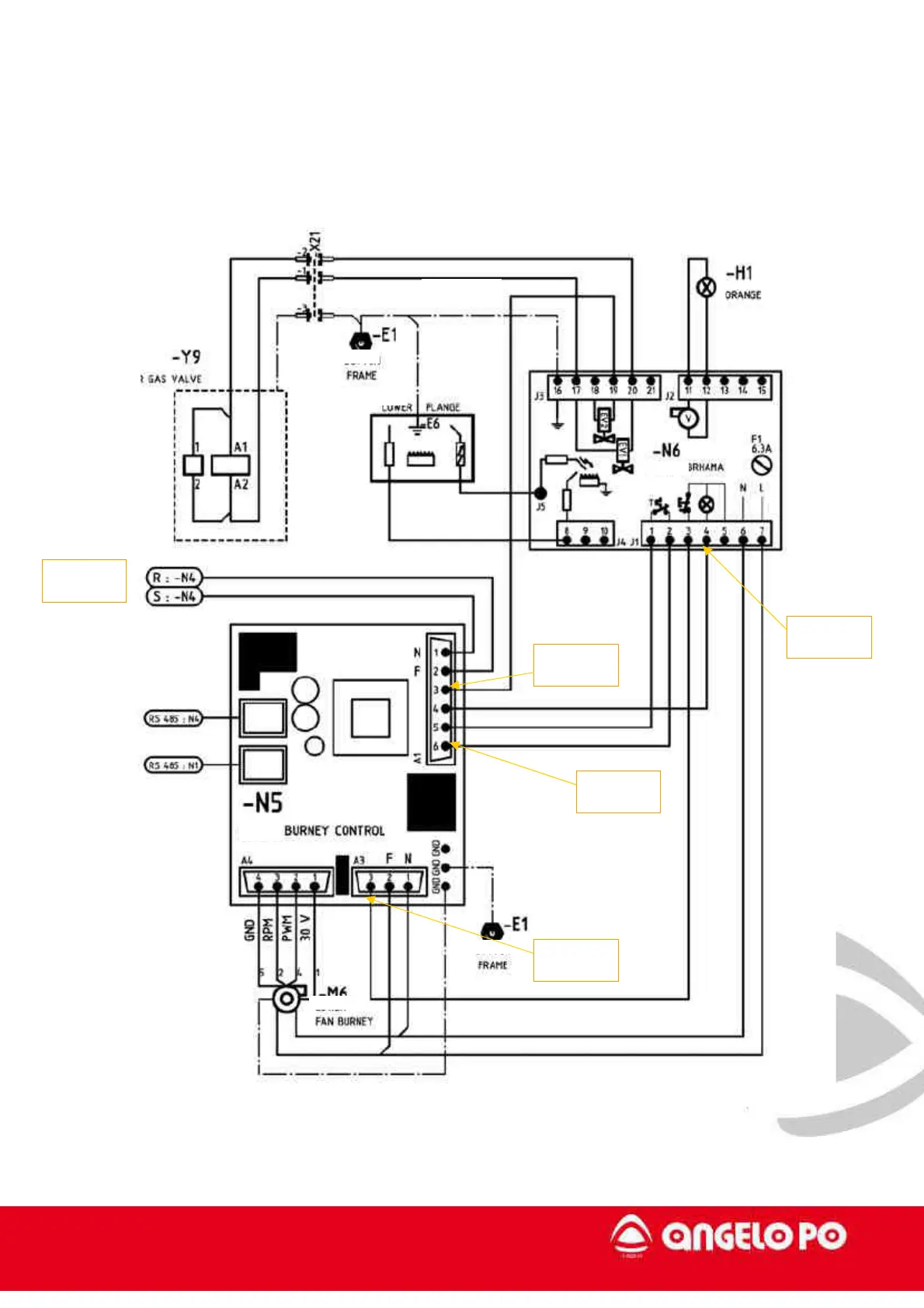
4.2.6. General functional diagram
PHASE
NEUTRAL
POWER
REQUEST
RECEIVED
120 V
POWER
SUPPLY
120 V
120 V
BURNER-ON
FEEDBACK
RS485
COMMUNICATION
BUS
100 – 240 V
INVERTER
120 V
LOCKOUT
RESET
120 V
LOCKOUT
ALARM
CLOSE ON
POWER
REQUEST

Table of Contents

Related product manuals