EasyManua.ls Logo

ARB AIRLOCKER RD147 - Page 37

ARB AIRLOCKER RD147
44 pages
Print Icon
To Next Page IconTo Next Page
To Next Page IconTo Next Page
To Previous Page IconTo Previous Page
To Previous Page IconTo Previous Page
Loading...
5 Mounting & Connecting the Electrical System
35
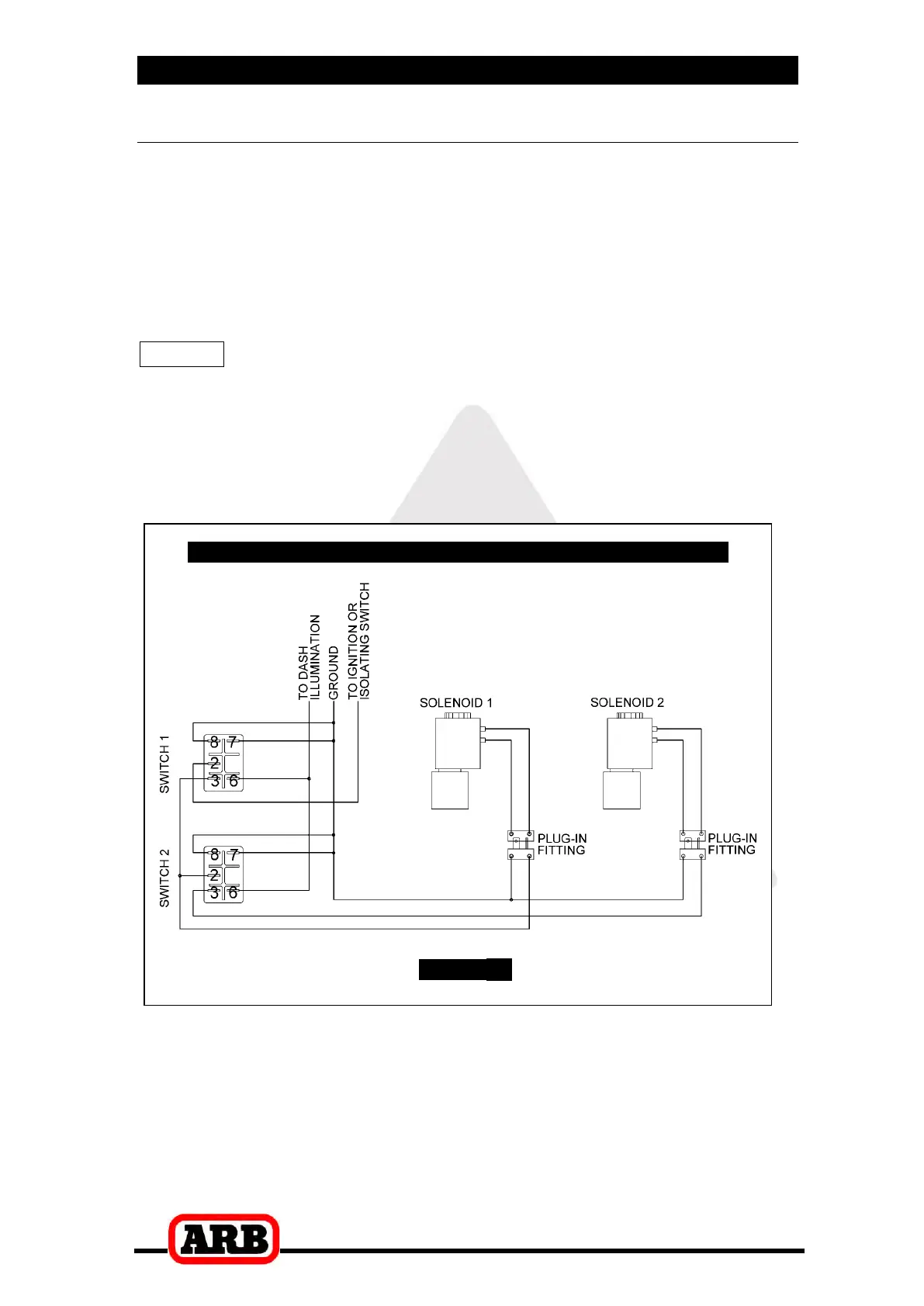
5.2.2.2 Dual Air Locker System
If two Air Lockers are to be installed in the system, ARB
recommends that the switches and solenoids be wired according to
figure 23. For safety reasons, this configuration allows SOLENOID
2 to be actuated only if SOLENOID 1 is already on.
Attach the “REAR AIR LOCKER” switch cover to SWITCH 1, and
the “FRONT AIR LOCKER” switch cover to SWITCH 2.
NOTE : Refer to Figure 21. for the correct switch terminal
identification and switch orientation.
Configure SOLENOID 1 as the air line leading to the rear axle Air
Locker, and SOLENOID 2 as the air line leading to the front axle Air
Locker.
Figure 23.
DUAL Air Locker SYSTEM

Related product manuals