EasyManua.ls Logo

Ariston NIMBUS HYBRID MODULE UNIVERSAL NET - Diagrams

Ariston NIMBUS HYBRID MODULE UNIVERSAL NET
94 pages
Go to English
To Next Page IconTo Next Page
To Next Page IconTo Next Page
To Previous Page IconTo Previous Page
To Previous Page IconTo Previous Page
Loading...
54 /
NOTE: Installation with under-fl oor systems
For under-fl oor installations, make sure to install a safety device on the heating delivery circuit, as required by DTU 65.11.
For the thermostat hookup, refer to “Electrical connections.
If the delivery temperature is too high, the system stops in both domestic hot water and heating modes, and the remote
control will report error code 936 “Under-fl oor heating thermostat open”. The system will start again when the manual
re-arm thermostat is closed.
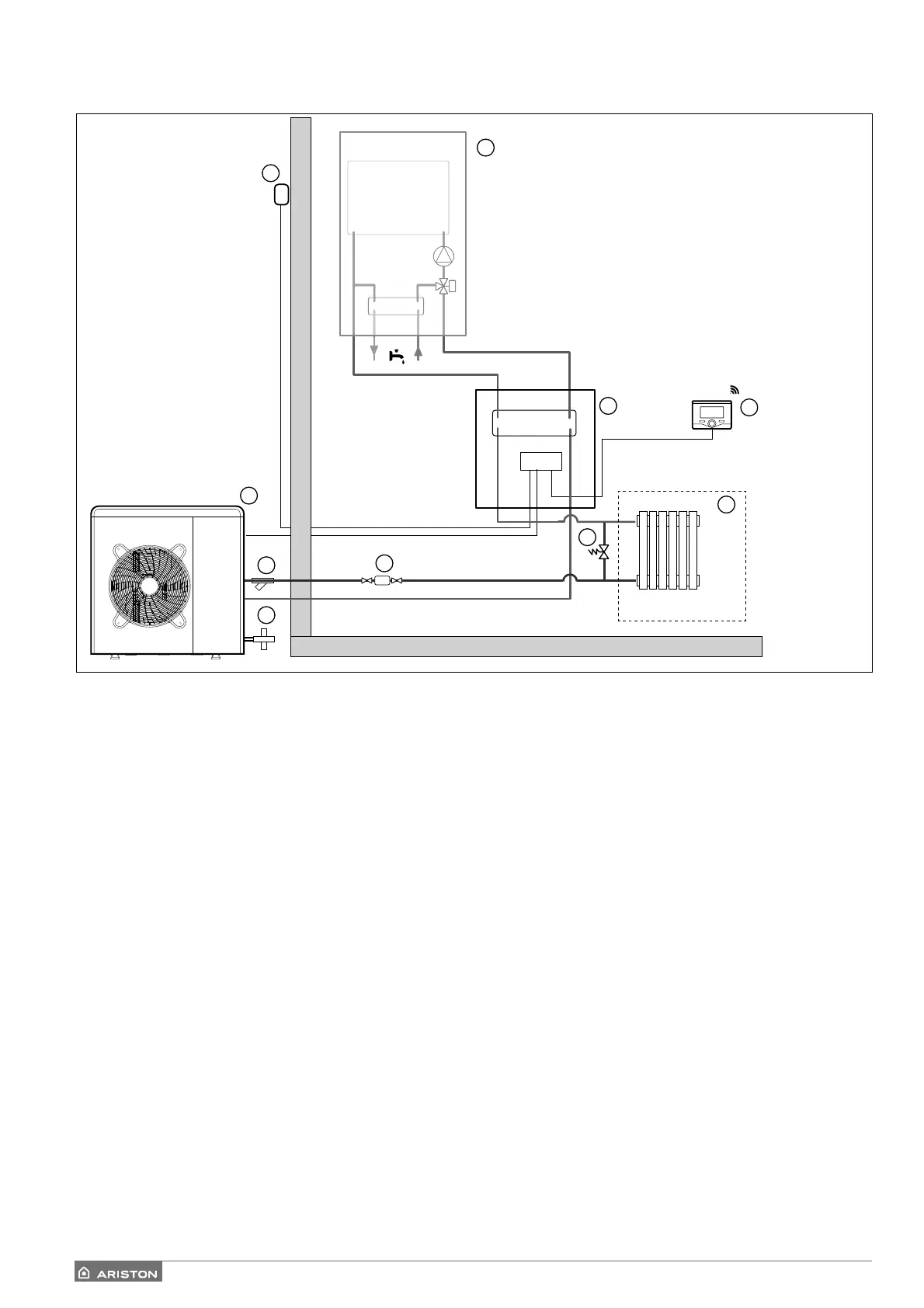
DIAGRAMS
SCHEME WITH A SINGLE SYSTEM FOR HEATING
Legend:
1. Hybrid module
2. External unit
3. Outdoor sensor
4. By-pass
5. High temperature heating zone
6. Sensys and Sensys Net remote control
7. Filter
8. Anti-freeze cartridge
9. Combination boiler
10. Dirt separator fi lter
6
2
1
7
8
3
9
5
4
10

Other manuals for Ariston NIMBUS HYBRID MODULE UNIVERSAL NET

Related product manuals