EasyManua.ls Logo

Arkel KM-20 - Connection Diagram

Arkel KM-20
Print Icon
To Next Page IconTo Next Page
To Next Page IconTo Next Page
To Previous Page IconTo Previous Page
To Previous Page IconTo Previous Page
Loading...
ARKEL Elektrik Elektronik Ltd. Şti. www.arkel.com.tr
ARKEL 40 KM-20
TÜRKÇE
ENGLISH
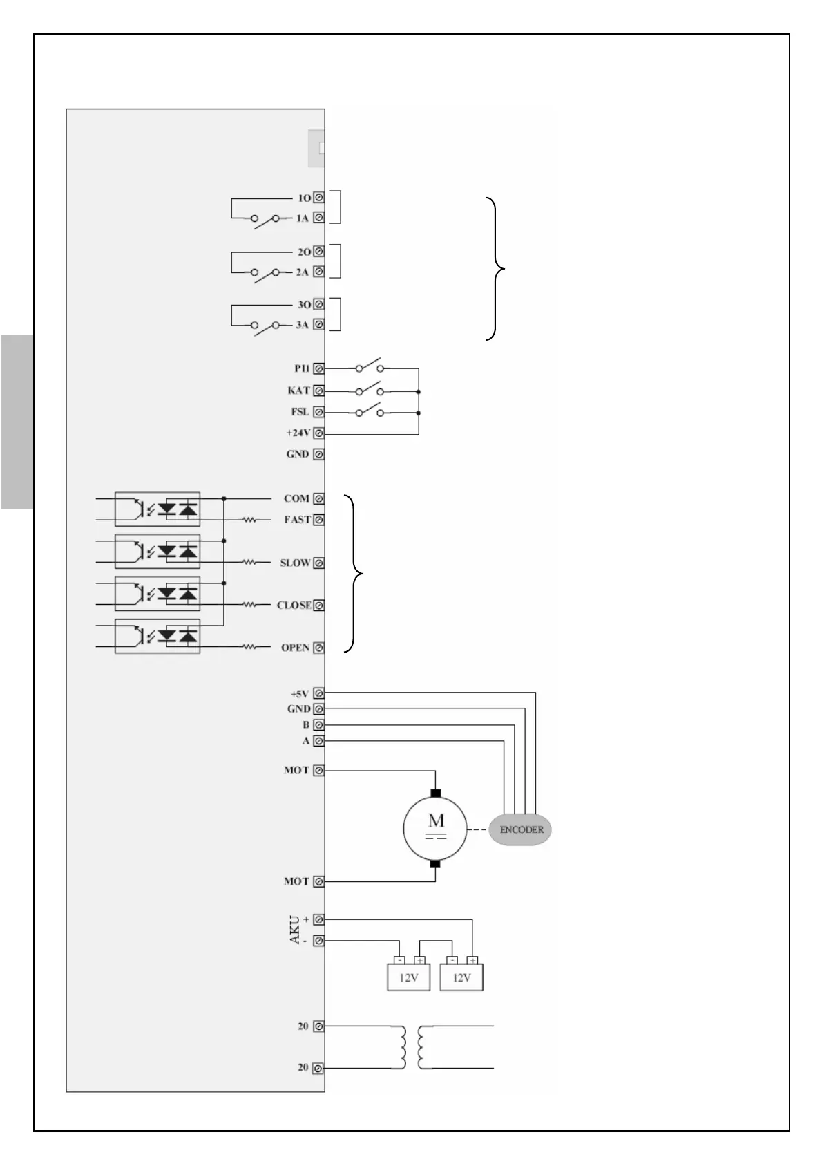
7. CONNECTION DIAGRAM
KM-20
Doora are fully
open
Doors are fully
closed
Obstruction or
photocell
Reserved input
Additional door opening zone signal input
Photocell signal input
+5Vdc operation voltage
100-2048 pulse
2-channel encoder
24V DC geared motor, max. 8A
Outputs to lift control mainboard
(Max. 3A @ 250VAC or 30VDC)
Note: The relay contacts must not be
used as safety contact in the safety
circuit of the elevator!
24V DC emergency supply
(with 2 pcs. 12V/1.2Ah battery or
external supply)
AC power supply
220VAC
18-22VAC
Min. trans. power = 10VA + motor power
Internal supply
24VDC / 0.1A
Figure-3: Connection diagram
KM-20 Keypad connection (Optional)
Inputs from lift control system
Can be supplied with internal or external 24Vdc.
Refer to Figure-4 and Figure-5
(Inputs are activated with 24VDC internal supply)
R1
R2
R3
Note: For V1.9 and higher version controllers,
positive or negative common is selectable.

Table of Contents

Related product manuals