EasyManua.ls Logo

Astralpool BLPAM600 - Annex

Astralpool BLPAM600
138 pages
Print Icon
To Next Page IconTo Next Page
To Next Page IconTo Next Page
To Previous Page IconTo Previous Page
To Previous Page IconTo Previous Page
Loading...
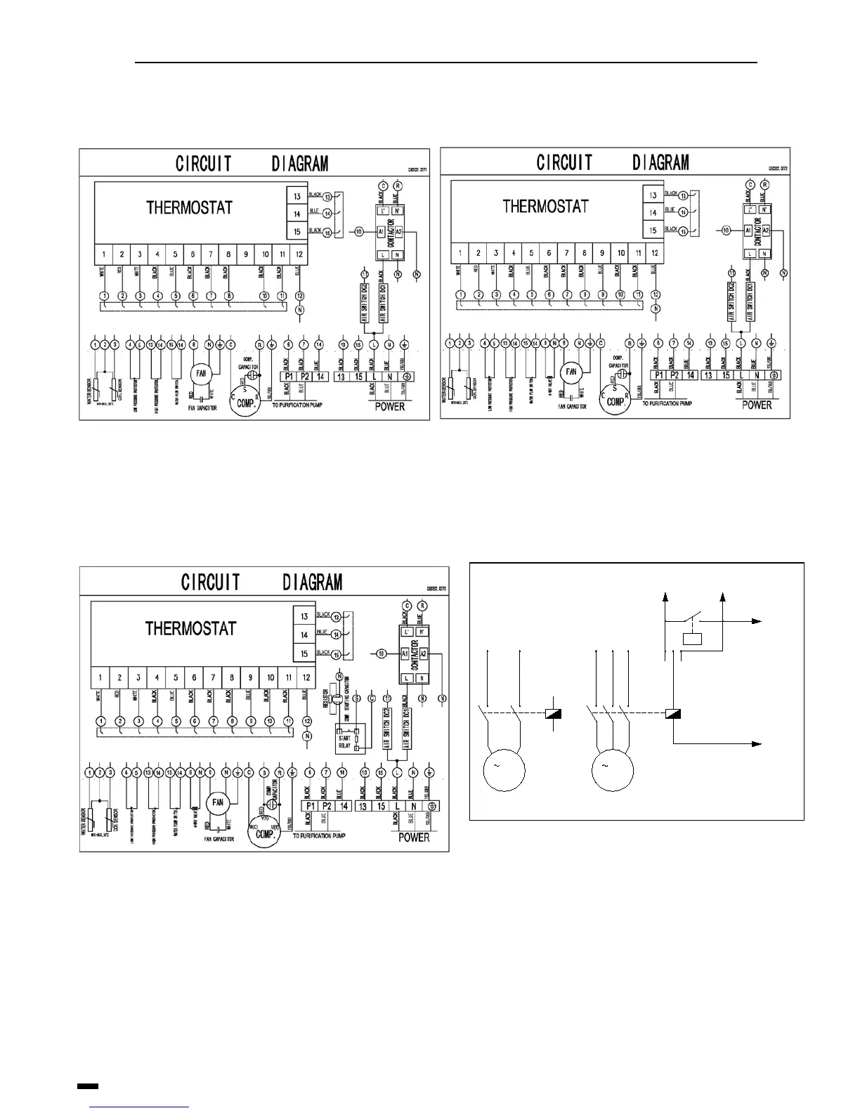
ANNEX 1 ANEXO 1 ANNEXE 1 ANHANG 1 ALLEGATO 1 BIJLAGE 1 ANEXO 1
134
U303
380V
M
3
R
U202
220V
M
2
FILTRATION PUMP
S TF N
F
N
F
N
1
0
CLOCK
MANUALAUTOMAT
F
N
PURIFICATION PUMP VOLTAGE-FREE CONTACT
BLPAM100 ~ BLPAM600
BLPAM700 / BLPAM800
BLPAM700R / BLPAM800R
BLPAM100R ~ BLPAM600R

Table of Contents

Related product manuals