EasyManua.ls Logo

Atlantic alfea extensa duo+ - Hydraulic Connecting; General

Atlantic alfea extensa duo+
68 pages
Print Icon
To Next Page IconTo Next Page
To Next Page IconTo Next Page
To Previous Page IconTo Previous Page
To Previous Page IconTo Previous Page
Loading...
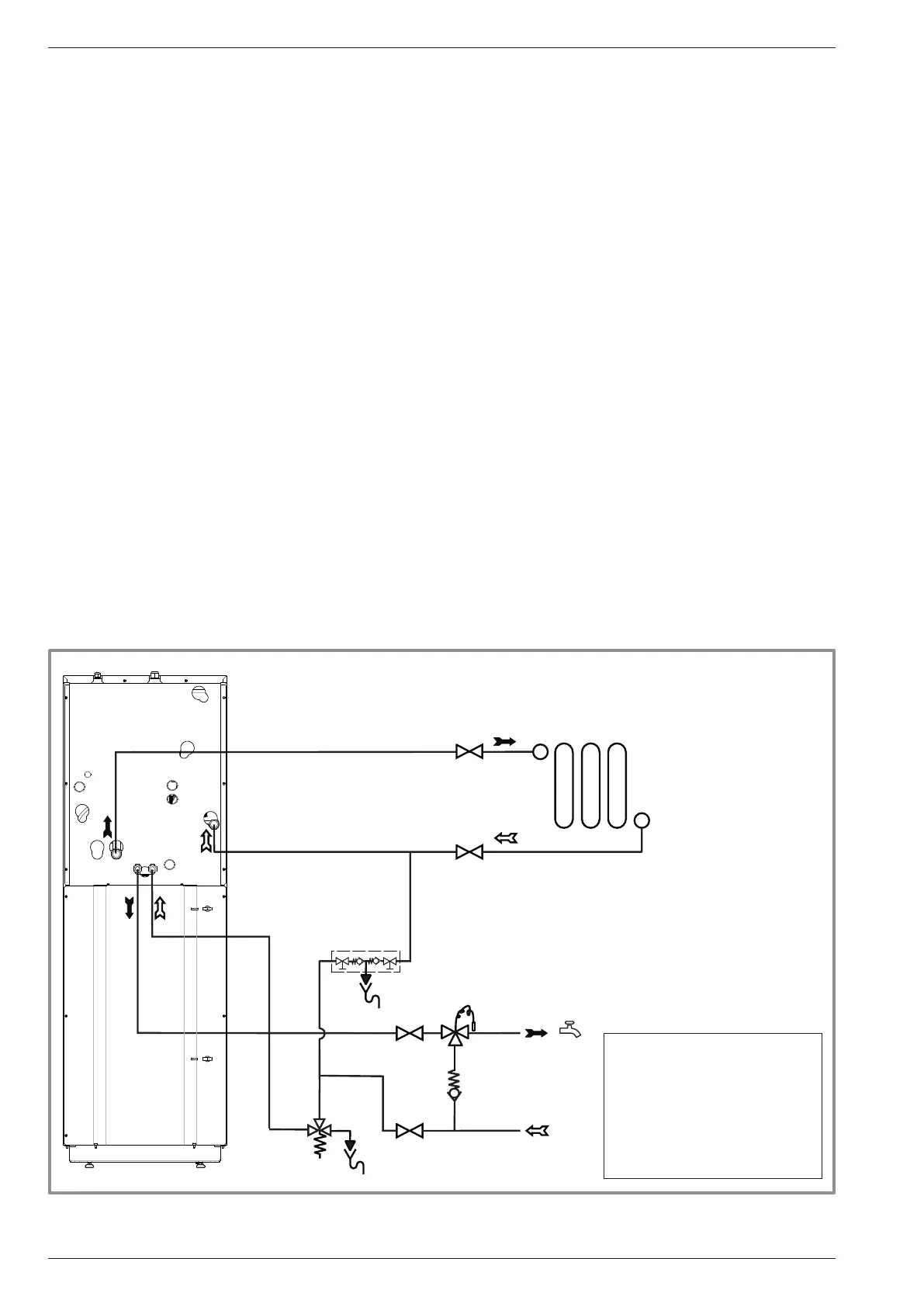
2.8 Hydraulic connecting
2.8.1 General
The connection must comply with good trade practice
according to local building regulations.
The heating circulating pump is built into the hydraulic unit.
Connect the central heating pipes to the appliance,
complying with the direction of circulation.
The pipe between the heat pump and the heat collector
must be at least one inch in diameter (26x34 mm).
Calculate the diameter of the pipes according to the
ow rates and the lengths of the hydraulic systems.
Tightening torque: 15 to 35 Nm.
Use union connectors to facilitate removing the hydraulic
unit.
Preferentially use connection hoses to avoid transmitting
noise and vibrations to the building.
Connect the drains from the drain valve and the safety
valve to the main sewer system.
Verify the correct functioning of the expansion system.
Control the vessel pressure and the safety valve setting.
Reminder: Seal everything when tting in accordance
with prevailing trade practice for plumbing work:
- Use suitable seals (bre seals, o-rings).
- Use Teon tape or hemp.
- Use sealing paste (synthetic depending on the case).
The use of glycol is not necessary. If you are using a
glycol/water mix, provide for an annual check on the
quantity of glycol. Use monopropylene glycol only.
Never use monoethylene glycol.
" In certain installations, the presence of different
metals can cause corrosion problems; the
formation of metal particles and sludge in the
hydraulic circuit is then seen.
" In this case, it is advisable to use a corrosion
inhibitor in the proportions indicated by its
manufacturer.
- Please refer to the chapter "Treatment of domestic
and heating water" in our price catalogue.
" It is also necessary to ensure that the treated
water does not become aggressive.
R1
D
MT
CAR
GS
gure 22 - Overall hydraulic layout
Legend:
CAR : Non-return valve.
D : Shut-off.
GS : Safety unit.
MT : Thermostatic mixer valve.
R1 : Heating circuit.
Ø 26x34
1" Male
Ø 20x27
3/4" Male
Installation and operating manual "1578 - EN"
Heat Pump alféa extensa duo +
- 22 -

Table of Contents

Related product manuals