EasyManua.ls Logo

Atlantic alfea extensa duo+ - Page 57

Atlantic alfea extensa duo+
68 pages
Print Icon
To Next Page IconTo Next Page
To Next Page IconTo Next Page
To Previous Page IconTo Previous Page
To Previous Page IconTo Previous Page
Loading...
1 2 3
4
5
1
2
3
4
5
6
7
89
123
4
5
6
7
89
123
4
5
12
3
4
5
12
3
4
5
1
2
3
4
5
6
7
8
9
1
2
3
4
5 6
7
8
9
1
2
1
2
1
2
3
4
1
2
3
4
1
2
1
2
1
2
1
2
1 2
1
2
3
4
5
1
2
3
4
5
1
2
3
4
5
6
7
1
2
3
4
5
6
7
1
2
1
2
3
1
2
3
3
1
2
3
1
2
3
1
2
3
1
2
3
1
2
3
1
2
3
4
1
2
3
4
1
2
1
2
W4
CN400CN200CN40CN42
CN303
CN301
W306
W307
TM302
TM301
W17
W16
TM102
TM101
TM303 - W
TM304 - V
TM305 - U
W12
W13
W8
W7
R
C
S
L2
L1
+IN
-IN
P
N
CN11
CN1
CN100
W29
W28
W21
W9
W20
W19
W3
W18
W17
W2
W1
CN 110
TM600
TM601
CN800
CN700
CN500
CN61
CN62
CN72
CN64
CN90
NL321
CM
PS
4WV
PMV
FM
WH
WH
WH
WH
WH
WH
WH
WH
WH
WH
WH
WH
WH
WH
WH
BK
BN
RD
OG
YE
RD
WH
BK
BN
BN
BK
BK
BK
BK
BK
BK
BK
BK
BK
BK
WH
YE
OG
BU
RD
BN
YE
WH
BK
RD
RD
RD
WH
WH
RD
WH
BK
BK
BN
OG
VT
WH
BU
YE
BKBK
GN
WH
BK
WH
WH
WH
WH
BK
BK
GY
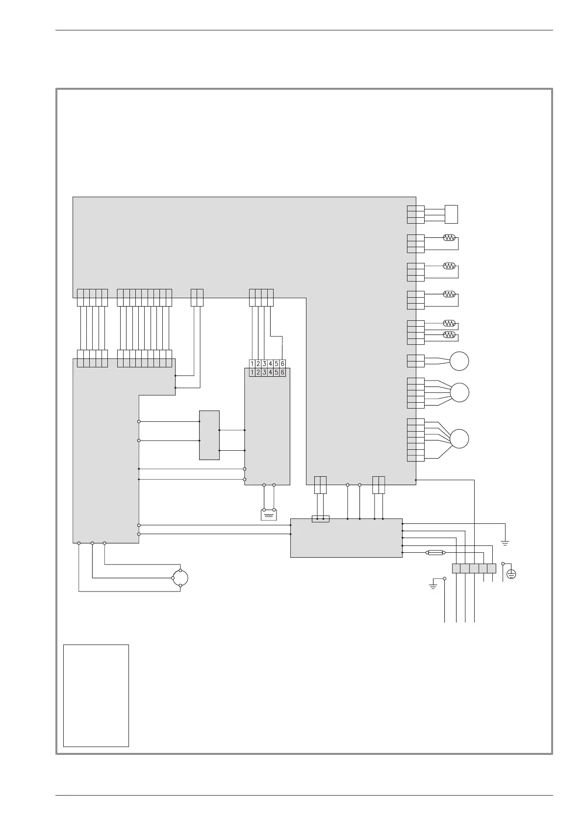
WOYA080LDC
Capacitor PCB
Coil
Compressor
Terminal
block
Power card
IPM card
Electricity
supply
Interconnection
between the outside unit
and the hydraulic module
Regulation board
HP pressure sensor
Discharge
Temperature sensors
Compressor
Temperature sensors
Outside
Temperature sensors
4-way valve
Expansion valve
Expansion valve
Temperature sensors
Ventilator
Evaporator
Temperature sensors
Fuse 250V 25A
gure 45 - Electrical wiring of outside unit model extensa duo + 8
Color Codes
BK Black
BN Brown
BU Blue
GN Green
GY Grey
OG Orange
RD Red
VT Purple
WH White
YE Yellow
Installation and operating manual "1578 - EN" - 57 -
Heat Pump alféa extensa duo +

Table of Contents