EasyManua.ls Logo

Atmel SAMA5D3 EK Series - USB Ports

Atmel SAMA5D3 EK Series
123 pages
Print Icon
To Next Page IconTo Next Page
To Next Page IconTo Next Page
To Previous Page IconTo Previous Page
To Previous Page IconTo Previous Page
Loading...
62
SAMA5D3x-EK User Guide [USER GUIDE]
11180B–ATARM–29-Oct-13
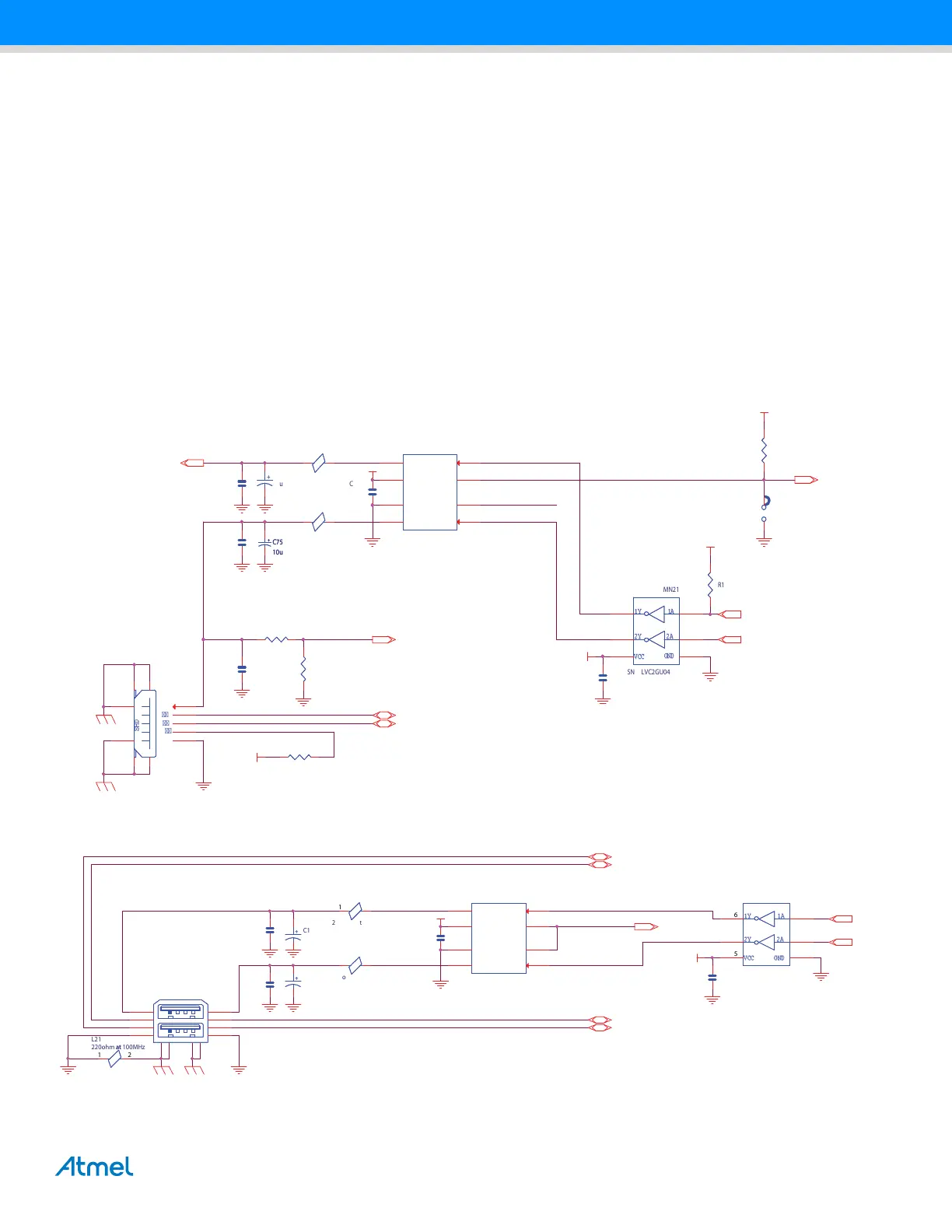
5.2.5 USB Ports
The SAMA5D3 series MB features three USB communication ports:
Port A High-speed (EHCI) and full-speed (OHCI) host multiplexed with USB Device
High-speed micro AB connector, J20
Port B High-speed (EHCI) and full-speed (OHCI) host
Standard type A connector, J19 upper port
Port C Full-speed (OHCI) only host
Standard type A connector, J19 lower port
All three USB host ports are equipped with 500 mA high-side power switch for self-powered and bus-powered
applications. The USB device port feature VBUS insert detection function through the resistor ladder R138 and R139.
Refer to the embedded MPU product datasheet for detailed programming information, available on www.atmel.com.
Figure 5-8. USB Port A
Figure 5-9. USB Ports B and C
OVCUR_USB
(VBUS_SENSE)
USB A HOST/DEVICE INTERFACE
(IDUSBA)
EN5V_HDA
OPEN:Enable LCD for D31,D33,D34
CLOSE:Disable LCD for D35
PD28
5V
3V3
EARTH_USB
EARTH_USB
3V3
3V3
3V3
PD29 3
USBA_DM 3
USBA_DP 3
5V_LCD13
EN_PWRLCD 13
PD25 3
LCD_DETECT# 13

SHD




J20
47589-0001

SHD




J20
47589-0001
1
2
3
4
5
7
8
6
9
10
11
L15
220ohm at 100MHz
L15
220ohm at 100MHz
1 2
C107
100n
C107
100n
C109
100n
C109
100n
L14
220ohm at 100MHz
L14
220ohm at 100MHz
1
2
R140 47kR140 47k
MN15
AIC1526-1GS
MN15
AIC1526-1GS
ENA
1
FLGA
2
ENB
4
OUTA
8
GNG
6
FLGB
3
IN
7
OUTB
5
R139
82k
R139
82k
R138 47kR138 47k
+
C106
33u
+
C106
33u
C108
100n
C108
100n
C111
15p
C111
15p
JP17
SIP2
JP17
SIP2
12
R163
47k
R163
47k
1A1Y
2A
GND
VCC
2Y
MN21
SN74LVC2GU04
1A1Y
2A
GND
VCC
2Y
MN21
SN74LVC2GU04
1
2
34
5
6
C75
10u
C75
10u
R137
47k
R137
47k
C99
100n
C99
100n
OVCUR_USB
USB HOST B&C INTERFACE
EN5V_HDB
EN5V_HDC
PD28
EARTH_USB
5V
EARTH_USB
3V3
USBC_DM 3
USBC_DP 3
PD28 3
USBB_DP 3
USBB_DM 3
PD26 3
PD27 3
J19
Dual USB A
J19
Dual USB A
A1
A4
A2
A3
1 2
B1
B2
B3
B4
3 4
C101
100n
C101
100n
C105
100n
C105
100n
1A1Y
2A
GND
VCC
2Y
MN19
SN74LVC2GU04
1A1Y
2A
GND
VCC
2Y
MN19
SN74LVC2GU04
1
2
34
5
6
L21
220ohm at 100MHz
L21
220ohm at 100MHz
1 2
+
C103
33u
+
C103
33u
+
C104
33u
+
C104
33u
C97
100n
C97
100n
L12
220ohm at 100MHz
L12
220ohm at 100MHz
1
2
L13
220ohm at 100MHz
L13
220ohm at 100MHz
1
2
MN14
AIC1526-1GS
MN14
AIC1526-1GS
ENA
1
FLGA
2
ENB
4
OUTA
8
GNG
6
FLGB
3
IN
7
OUTB
5
C102
100n
C102
100n

Related product manuals