EasyManua.ls Logo

Atom HSP588 - AL81-82 Wiring Diagram

Atom HSP588
70 pages
Print Icon
To Next Page IconTo Next Page
To Next Page IconTo Next Page
To Previous Page IconTo Previous Page
To Previous Page IconTo Previous Page
Loading...
HSP588
Use and maintenance manual pag. 40
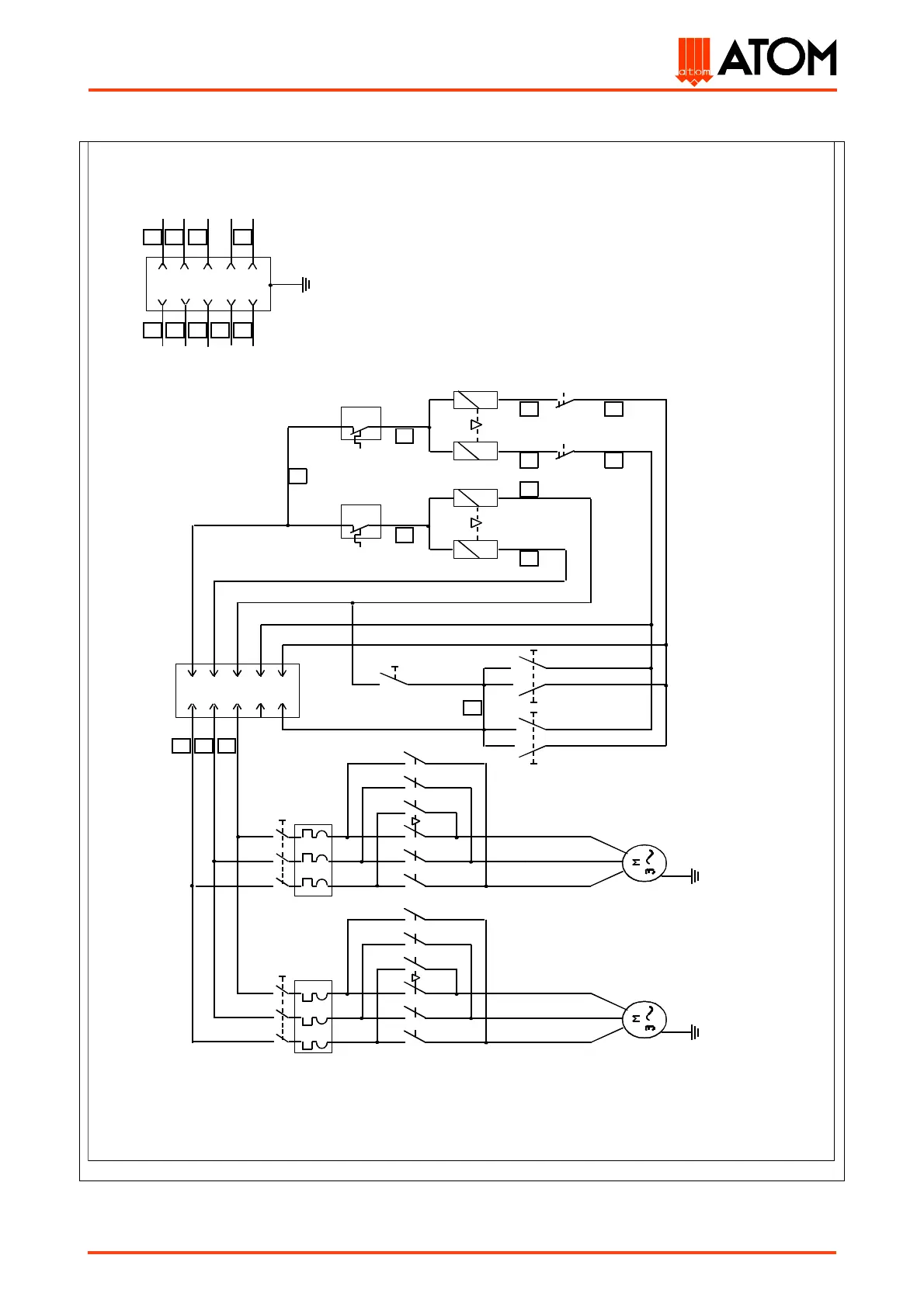
5.4 AL81-82 Wiring diagram
U2 V2
W2
5
6 7 8 9 10
1 2 3 4 5
15
16
18
20
4
17
19
4
4
6 7 8 9 10
1 2 3 4 5
4 15 16 17 19
u v w 5
9
3
8
6
1
12
13
4
5
10
11
6
1
2*
7*
2
7