EasyManua.ls Logo

AutoGyro Calidus - Page 107

AutoGyro Calidus
185 pages
Print Icon
To Next Page IconTo Next Page
To Next Page IconTo Next Page
To Previous Page IconTo Previous Page
To Previous Page IconTo Previous Page
Loading...
Pilot Operating Handbook
Calidus
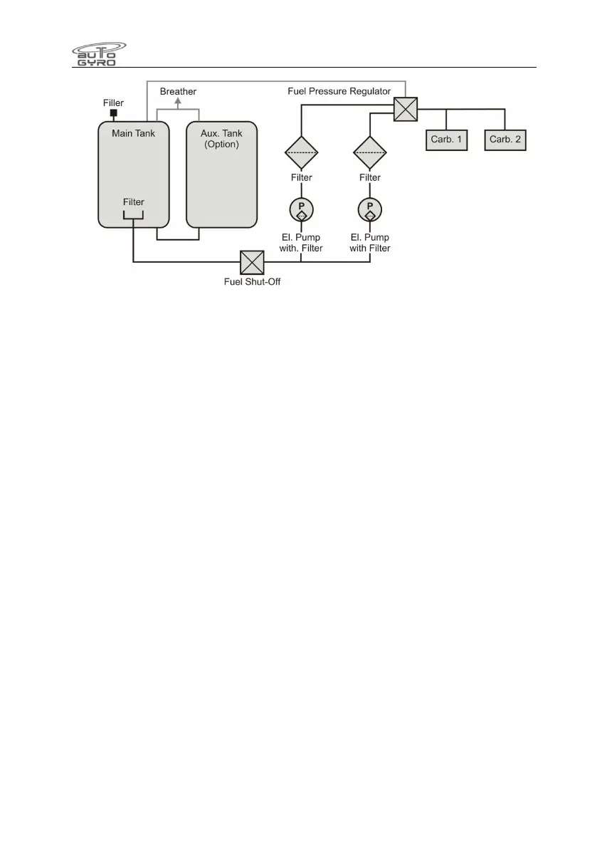
SECTION 7
SYSTEM DESCRIPTION
AutoGyro_POH_Calidus Revision 4.0 Issue Date 17.JAN.2019 7-3

Table of Contents