EasyManua.ls Logo

Axis P3364-lv - Page 116

Axis P3364-lv
126 pages
Print Icon
To Next Page IconTo Next Page
To Next Page IconTo Next Page
To Previous Page IconTo Previous Page
To Previous Page IconTo Previous Page
Loading...
AXISP3364-LVNetworkCamera
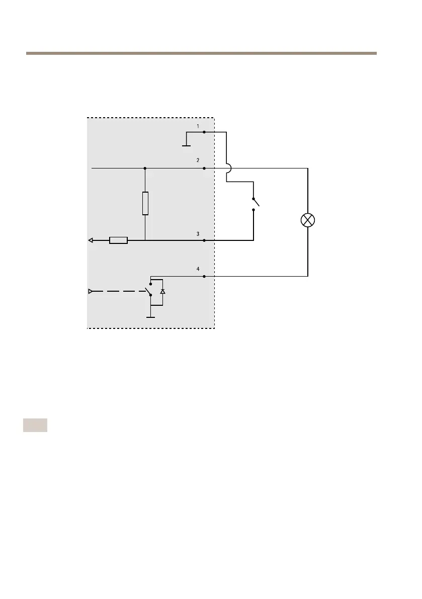
I/O I/O
I/O
1
2
3
4
1
0 V DC ( ‑)
2
DC 3.3 V 50 mA
3
0 40 V DC
4
0 40 V DC ( ) 100 mA
、ケーブルを壁に沿わせたり、壁の線し、設置す
ーブルをに沿って線す場合、ケブルを保する金属ンジット
でき
赤外明の屋内向けルを示します
116

Table of Contents

Related product manuals