EasyManua.ls Logo

barfield DC400A - Alternate Tests; Probes Bench Test; Bench Probe Interface

Default Icon
58 pages
Print Icon
To Next Page IconTo Next Page
To Next Page IconTo Next Page
To Previous Page IconTo Previous Page
To Previous Page IconTo Previous Page
Loading...
61-101-00802.EF2 (REV. G) CH. 3
January 7, 2015 Page 34 of 44
CHAPTER 3 ALTERNATE TESTS
1. PROBES BENCH TEST
Note: See PRECAUTIONS and PRELIMINARY sections (Chapter 1).
A. Test Set Preparation
(1) Set the test set ON/OFF switch to OFF.
(2) Rotate the TEST FUNCTION switch to PROBE(S).
(3) Set the INSULATION/SYSTEM switch to SYSTEM.
(4) Set the MAIN/TOT-AUX/NAC switch to MAIN/TOT.
(5) Set the 200 (pF)/1000 (pF) switch to 200 (pF).
B. Connecting Test Set
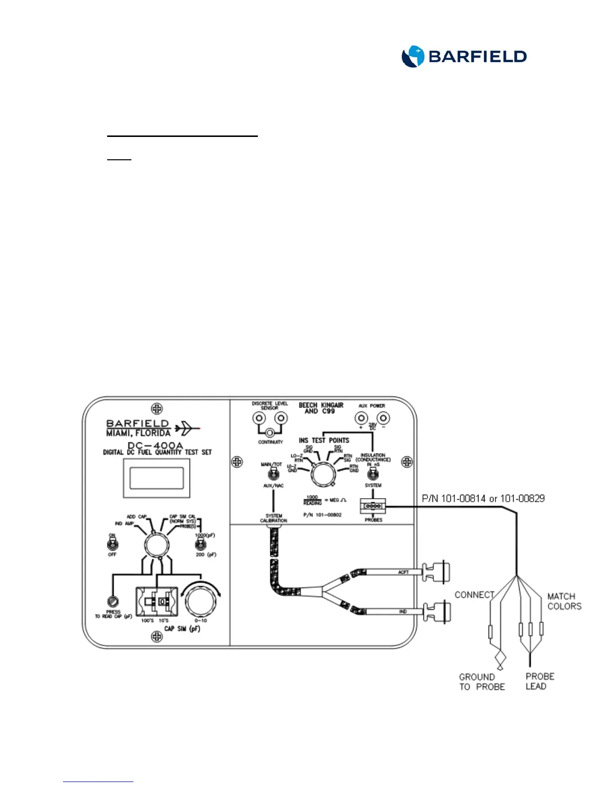
(1) Refer to Figure 11 and connect the test set to the probe as shown.
(2) Connect the Beech probe adapter, P/N 101-00829 or 101-00814, to
the test set PROBES receptacle as shown in the Figure 11.
(3) If necessary, use the Beech made alligator clip adapters (UA and UB)
or adapter pins (UC and UE) to attach P/N 101-00829 harness to the
probes as shown in Figure 12.
Figure 11 Bench Probe Interface

Other manuals for barfield DC400A

Related product manuals