EasyManua.ls Logo

Barko 495B - SE - Hydraulic Drawing

Barko 495B - SE
99 pages
Print Icon
To Next Page IconTo Next Page
To Next Page IconTo Next Page
To Previous Page IconTo Previous Page
To Previous Page IconTo Previous Page
Loading...
Service Manual
495B SE (S)
29
Last Updated - 9/28/2016
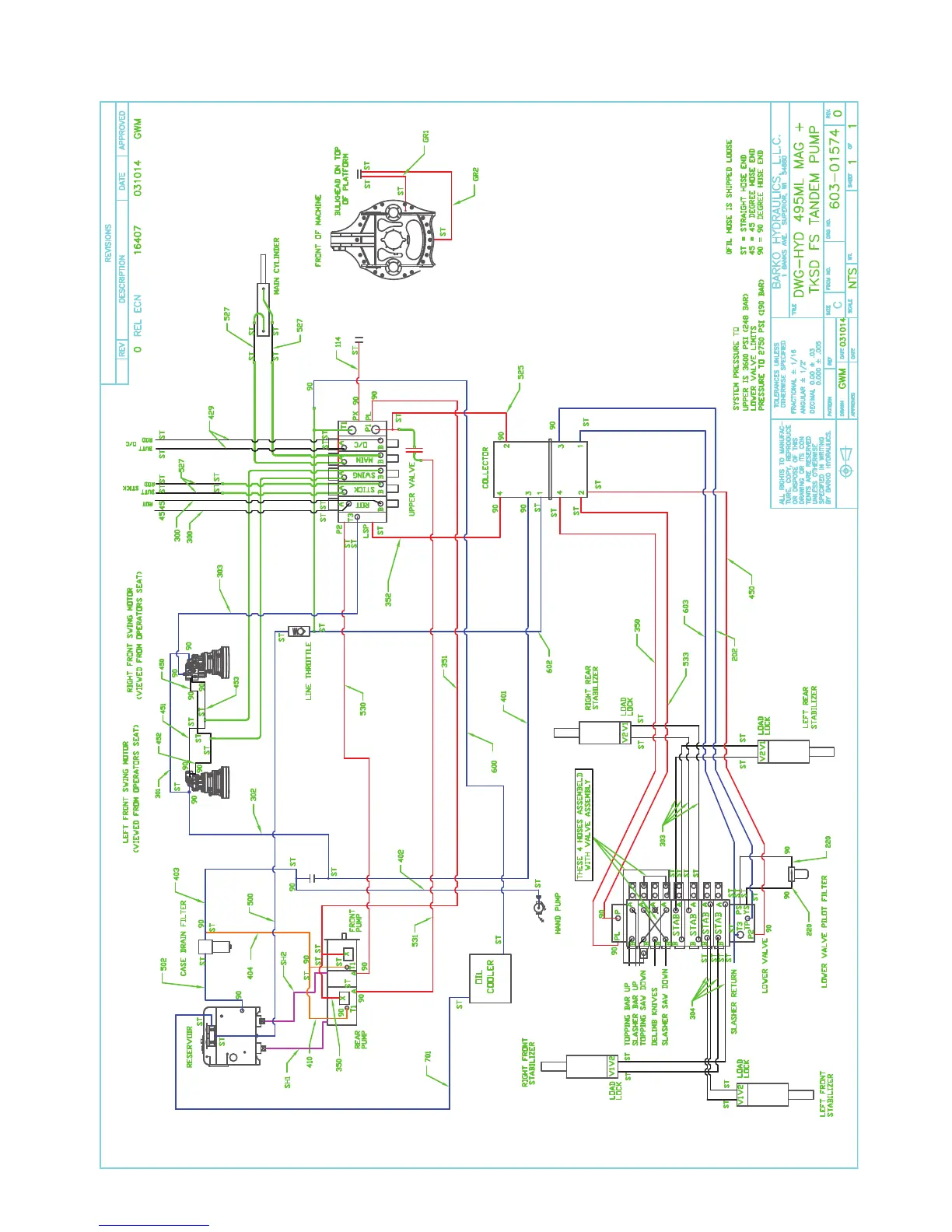
Hydraulic
HYDRAULIC DRAWING
603-01594

Related product manuals