EasyManua.ls Logo

Barko 495B - SE - Hydraulic Drawing Tandem

Barko 495B - SE
99 pages
Print Icon
To Next Page IconTo Next Page
To Next Page IconTo Next Page
To Previous Page IconTo Previous Page
To Previous Page IconTo Previous Page
Loading...
Service ManualLast Updated - 9/28/2016
495B SE (S)
32
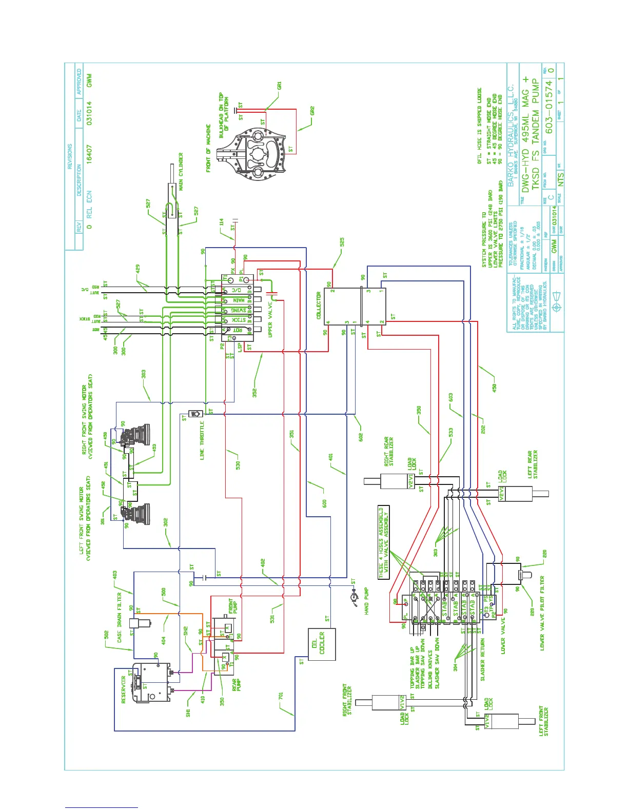
HYDRAULIC DRAWING TANDEM
603-01574
HYDRAULIC SERVO TANDEM

Related product manuals