EasyManua.ls Logo

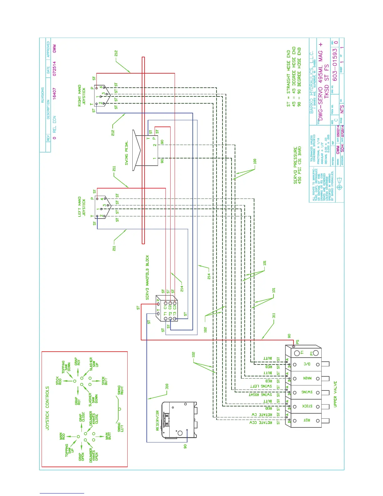
Barko 495B - SE - Hydraulic Servo Drawing

Barko 495B - SE
99 pages
Print Icon
To Next Page IconTo Next Page
To Next Page IconTo Next Page
To Previous Page IconTo Previous Page
To Previous Page IconTo Previous Page
Loading...
Service ManualLast Updated - 9/28/2016
495B SE (S)
30
HYDRAULIC SERVO DRAWING
603-01593

Related product manuals