EasyManua.ls Logo

Barko 495B - SE - Page 70

Barko 495B - SE
99 pages
Print Icon
To Next Page IconTo Next Page
To Next Page IconTo Next Page
To Previous Page IconTo Previous Page
To Previous Page IconTo Previous Page
Loading...
Service ManualLast Updated - 9/28/2016
495B SE (S)
70
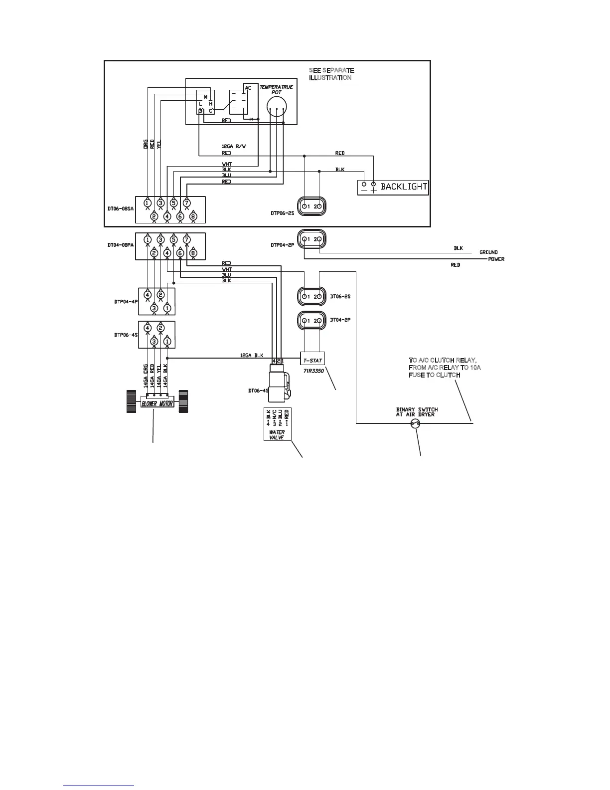
AIR CONDITIONER MAINTENANCE CONTINUED...





72$&&/87&+5(/$<
)520$&5(/$<72$
)
86(72&/87&+
6((6(3$5$7(
,
//8675$7,21

Related product manuals